24 March 2024
Y
19:23
YL3AKC
Not dead.
19:23
Contact problem.
19:23
Wait while Kirill finish soldering....
u
19:23
usernameak
In reply to this message
which would be definitely noticeable :)
KL
19:42
Kirill Leyfer
whatever I do. I keep getting verify errors
19:43
I soldered longer pins, but it didn't help, I still get bitflips even on data pins where I soldered longer legs
19:43
so I could've cooked my EPROMs while desoldering them
Y
19:44
YL3AKC
Small chances... Hope you are not. But... Just in case, get new ROMs.
19:46
Well... I have a feeling... There will be new video soon about GRiD repairing....
KL
19:57
Kirill Leyfer
I soldered a short "stilt" to every pin
19:57
still reads with lots of errors
19:58
are we even sure this is the usual 27c64?
19:58
it may as well have some different pinout
19:59
allright, time to solder ROMs back in and check if GRiD still boots
Y
19:59
YL3AKC
In reply to this message
SOlder ROMs back?
19:59
Or, better, use IC sockets.
KL
19:59
Kirill Leyfer
I don't have other options
Y
20:00
YL3AKC
Get them!
KL
20:00
Kirill Leyfer
In reply to this message
ROMs have super short legs
Y
20:00
YL3AKC
No hurry there.
KL
20:00
Kirill Leyfer
I have IC sockets, the problem is that ROMs have super short legs, so there might be a bad contact
20:00
allright, I'll try anyway
Y
20:01
YL3AKC
Hmm...
20:01
Sandwich from round IC sockets?
20:02
One on PCB
20:02
Other solder with ROM
20:02
Then it will become removable.
20:02
But...
KL
20:02
Kirill Leyfer
the heignt of such sandwich will be through the roof (of the modem board :D )
Y
20:03
YL3AKC
Watch out for height!
20:03
Too high and will not fit in computer case.
KL
20:03
Kirill Leyfer
I'll start with just one and check if it fits
Y
20:03
YL3AKC
OK.
20:04
You see situation, you know hot it's better...
20:09
Regarding GPiB RPi shield.

Running out of space on PCB.
What if I extend PCB to the left?
GPiB connector will hang over HDMI port.
KL
20:09
Kirill Leyfer
nah... one IC socket is already too high for the modem board
20:09
In reply to this message
that's totally fine
Y
20:10
YL3AKC
20:11
Ugly, but fine...
KL
20:11
Kirill Leyfer
nice!
Y
20:26
YL3AKC
Now it will lok like this
20:26
โค
KL
KL
20:39
Kirill Leyfer
all right, after 2+ hrs of useless work, ROMs are back_
20:39
time to test if GRiD still boots
20:43
Alright, bios ROM seems to be fine
20:43
No idea why I couldn't dump it
20:43
Sorry guys
Y
20:44
YL3AKC
In reply to this message
Nice!
20:45
In reply to this message
Sorry for what? For unsuccessful dump?
Y
21:18
YL3AKC
Almost there... Will finish later.
๐Ÿ”ฅ
KL
KL
21:24
Kirill Leyfer
In reply to this message
yep(

Could it be that this particular ROM requires more amps for reading than my dumper could provide?
Y
21:28
YL3AKC
In reply to this message
Well... Maybe...
Y
21:48
YL3AKC
Sleep!
25 March 2024
Y
06:34
YL3AKC
๐Ÿ”ฅ
KL
06:35
Hmm... Should I need to add thru hole resistors on top of SMT resistors?
06:36
Need to mark placement for all SN75161/162 combination because now it look tricky and confusing.
06:36
But... Later!
KL
06:39
Kirill Leyfer
In reply to this message
ะญะผัะนะทะธะฝะณ
06:40
In reply to this message
Well it would make board even larger, wouldn't it?

I can solder surface mount resistors no probs

What package size is used here?
Y
06:41
YL3AKC
SMT Resistors and Capacitors 0805. BIG!
06:41
There is options regarding capacitors: both THT and SMT.
06:42
But resistors SMT only for now.
06:43
Driver ICs: all possible variants for DIP and SMT because it depend where and what you can get from online stores.
06:50
In reply to this message
No, size will stay the same. THT goes on top of SMT
KL
06:51
Kirill Leyfer
In reply to this message
Tbh TH resistors aren't strictly necessary. Dip/tssop IC mount combo is a stroke of genius: as you said, people gonna use the option they can source easier

But surface mount resistors are easily found everywhere, so..
Y
06:52
YL3AKC
Note: there are more pins than 16 GPiB lines. SC, TE, PE must be controlled from software.
06:52
In reply to this message
But what about vintage look with THT only components?
KL
06:52
Kirill Leyfer
So you did a great job already!

I think I'm ready to order this board, let's call it v1

After I assemble and test it, I'll give you some feedback, so you can

* update the design
* Add TH option for resistors if you want
* Maaaaybe shrink it back to RPI size???)

And call it v2 :)
Y
06:53
YL3AKC
Should I need to add Open source hardware logo somewhere?
KL
06:53
Kirill Leyfer
In reply to this message
Aha! And I call myself a perfectionist)

We are all perfectionists here, aren't we?)
Y
06:54
YL3AKC
What about copyrights text? Is is OK or need to be changed to less selfish?
06:54
What about famous GRiD letters? Can there be copyright problems if we use famous GRiD letters?
KL
06:55
Kirill Leyfer
In reply to this message
Don't change it, it's the perfect amount of selfish!
Y
06:55
YL3AKC
In reply to this message
Yes, I need to add version on silkscreen. No Hurry. I, hope I'll finish PCB today.
KL
06:57
Kirill Leyfer
In reply to this message
Oh... I know nothing about how copyright works and if the grid's logo is protected somehow
06:58
In reply to this message
Well, it's your design, you are free to add anything you want

I think it's a good idea
KL
06:59
Kirill Leyfer
In reply to this message
Oh I've seen this before!
Y
07:01
YL3AKC
There are also I2C header. For additional I2C display and buttons.
๐Ÿ”ฅ
KL
KL
07:03
Kirill Leyfer
In reply to this message
Bought some already)
Y
07:04
YL3AKC
In reply to this message
Happy coding!
โค
KL
07:06
But... Don't dive too deep, or you be sucked in to DIY microcontroller and IoT black hole... ๐Ÿ˜
07:08
Houston, we have a problem! ๐Ÿ˜€
Y
07:58
YL3AKC
Looks almost OK...
07:58
07:58
ICs are not in one line.
07:59
Forgot to add instructions for correct IC mounting/soldering.
KL
08:11
Kirill Leyfer
In reply to this message
Modern art)

I doubt I can find resistors with such long leads)))
08:12
In reply to this message
Wow, you actually did it!
Y
08:19
YL3AKC
JLCPCB:
Manufacturing: 1.85 EUR
Shipping: 1.41 EUR
Tax: 0.96 EUR
Total. 3.96 EUR
08:19
For 5 PCBs...
08:23
๐Ÿ”ฅ
KL
08:24
Try it yourself! If anybody see any errors, let me know! I'll fix them.
08:26
In reply to this message
This .ZIP need to be uploaded on JLCPCB web to see results.

Or use web/online/offline gerber viewer.
Y
16:46
YL3AKC
In reply to this message
Did you already order PCB?

I wan to make more minor changes regarding THT resistors.
KL
17:11
Kirill Leyfer
In reply to this message
Nope, you can still update the design
17:18
I'll be home in 3 hrs and place an order then
Y
17:55
YL3AKC
Looks like I'm done!
18:00
Upload yourself and look carefully. Make alert on any suspicious thing.
18:01
@sevareva @svetlovmusic ยฎ You are electronic engineers. Maybe you have any notes regarding PCB?
r
18:03
reva
what schematic is? i didnโ€™t follow the discussion
AS
18:05
Alexey Svetlov
In reply to this message
I'm currently on vacation without a computer - can't check, sorry
Y
18:10
YL3AKC
In reply to this message
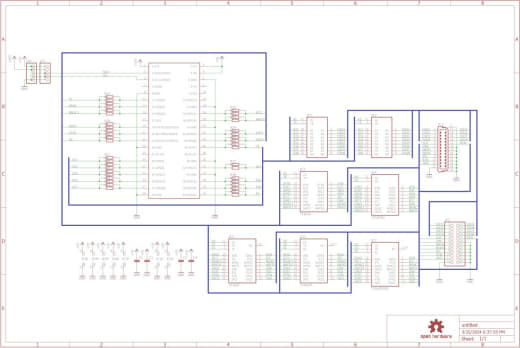
Basically 2 ICs between RPI GPIO pins and GPiB connector. Schematics looks cumbersome because of different IC package options.
18:10
Low resolution version
18:11
High resolution version.
18:13
Gerber views from JLCPCB
18:13
TOP
18:13
BOTTOM
Y
18:34
YL3AKC
In reply to this message
Fixed Hi res version. Please, check again, if possible.
r
18:46
reva
looks ok to me. perhaps numbering for the 40-pin connector needed
Y
18:47
YL3AKC
In reply to this message
Hmm... It's standard RPi 40 pin GPIO header... Maybe internet...
18:47
No plans to connect additional things.
๐Ÿ‘Œ
r
KL
19:48
Kirill Leyfer
In reply to this message
ordered 5pcs on PCBWave (not to be confused with PCBWay)

they're the only ones I know who accept payments from Russia now

3-5 days manufacturing
12-20 days shipping
19:48
all for approx. $8.20
19:48
will wait
Y
19:48
YL3AKC
Double checked gerbers on their web?
KL
19:48
Kirill Leyfer
yep, seems to be OK
Y
19:49
YL3AKC
Let's hope to the best.
KL
19:50
Kirill Leyfer
I've ordered C64 cartridge boards from them earlier

everything went well :)
Y
19:52
YL3AKC
But...
19:52
You'll need to modify emulator code, because now you have 4 additional pins to control buffer drivers.
19:53
TE, PE, SC, DC
20:07
TE - talk enable - when sending data TE must be High
PE - pull up enable - always LOW
SC - If you are BUS master. When you GRiD Compass is master and you are emulatin FDD (or whatever peripheral), SC must be LOW. Basically SC control IFC and REN pins on bus. Can bu useful if RPI become master and want to dump Yuri's 10 MB HDD.
DC - don't know for now. Will check little later. Related to control lines like EOI, ATN, NDAC, DAV, NRFD.
20:07
Basically - when sending data TE must be High. When receiving data TE must be low. Tis must be added to your FDD emulator code.
KL
20:21
Kirill Leyfer
In reply to this message
Well, of course
Y
21:41
YL3AKC
Looks like DC must be always HIGH.
21:41
SC and PE - always LOW
21:42
TE depends on sending or receiving data.
21:42
TE meaning - Talk Enabled.
21:43
This config is when emulating FDD.
21:44
Also, I'll check regarding bit/pin invertion.
Y
22:09
YL3AKC
Looks like drivers not inverting anything. If code want to put bus in passive state (high level) code must put RPi pin in logic high level. Active state (Low) on bus means low level on RPi pin.
22:10
If I understand datasheets correctly.
KL
23:37
Kirill Leyfer
23:37
Bought soldering kit. Signal generator. Here's the results after some drunk soldering session :)
๐Ÿ‘
TT
23:49
Sorry for the offtopic, I was planning a 20 minute adventure, but here I am, 2 hrs later :)
26 March 2024
Y
04:06
YL3AKC
In reply to this message
Because Offtopic, now you must to show schematic for this generator and explain how it works.
04:06
๐Ÿคฃ
KL
Y
06:03
YL3AKC
In reply to this message
Do you have FFT function in your oscilloscope?
06:12
Regarding custom ROM images for 112x and 113x
06:16
And looks like it build valid ROM image.
KL
11:08
Kirill Leyfer
In reply to this message
Oh wow!

Gonna try it
27 March 2024
TT
07:16
T Tron
I have been at home for a week maybe in the last 5, but here is grid proof of life
๐Ÿ”ฅ
AS
KL
07:17
The catch 22 is I cannot pack this in a bag to use because there is no disk emulator
07:17
And there is no disk emulator because working on such a think requires being at home
07:17
Hoping this latest spin moves the needle a bit.
07:18
I could be a lot more productive if a GRiD system with the tools on it could actually travel
07:18
Lugging a 2101 around isnโ€™t particularly fun
07:19
07:20
In reply to this message
Unfortunately youโ€™re stuck at 64K and thatโ€™s not quite enough to get a good dev environment even across 4 of them, especially with the OS in rom too
07:21
So, I have never bothered to fuck with the ROM builder
07:21
To me, I just want a system that can selfhost the tools on the go
07:22
u
07:23
usernameak
In reply to this message
moreover, you're read only in that case
TT
07:23
T Tron
It would be fine to put the compilers and grid develop on rom and use the bubble as the working drive
07:24
Hell, I have managed to get a very basic pascal environment into the bubble alone, but then you really only have room for a hello world project
07:25
(Assuming you already have a grid write and OS/utility rom set too)
Y
14:14
YL3AKC
In reply to this message
Oh really? You forgot that we are reverse engineers here... ๐Ÿ˜‚
14:16
Hope Kirill will play and test ROM utility and then we can write own modern ROM utility.
Y
18:43
YL3AKC
@Megabozyakorovka what EEPROMs you have?
KL
18:44
Kirill Leyfer
In reply to this message
W27c010 (128k EEPROM) and m27c512 (64k EPROM)
u
18:50
usernameak
In reply to this message
this just sounds funny lol
Y
19:07
YL3AKC
In reply to this message
128kb are pin compatible with 64kb ?
19:08
I am again working and can't do anything for GRiD ๐Ÿ˜ž
19:09
In reply to this message
T - technological evolution
KL
19:18
Kirill Leyfer
In reply to this message
Uh.... 128k are 32pin, actually (

64k are 28pin
u
19:20
usernameak
In reply to this message
it seems like 128k DIP28 ROMs only exist in form of mask roms ('cuz they don't need Vpp)
KL
19:23
Kirill Leyfer
In reply to this message
I wish I could arrange some kind of adapter for 32->28 legs for 128k EEPROM.
Y
19:34
YL3AKC
In reply to this message
Sounds like another challenge to build PCB adapter...
19:48
Also take a look at the other posts on there.

https://stillhekills.io/2018/01/31/128kb-in-a-64kb-bag/
โค
KL
Y
22:11
YL3AKC
Interesting... Will read tomorrow.
u
22:14
usernameak
In reply to this message
> and purchasing a run of them must have been, (this might be obvious to anyone with a background in electronics manufacturing), very expensive

heh, i saw pricing for that from those times... it wasn't that expensive per piece, just... the minimum amount that you could order was something like... a few thousands of chips?
28 March 2024
Y
20:00
YL3AKC
What if...

if we find TSOP Flash IC tolerant to 5 volts, make adapter and use it as alternative to GRiD and GRiDcase EEPROMs?

I can do some magic to reduce height for adapter.
KL
21:40
Kirill Leyfer
In reply to this message
There's plenty of room above ic sockets, so something simpler will suffice
Y
21:43
YL3AKC
Need to find "popular" ICs for this project.
A
22:11
Armin
For the molex sockets in the compass II and gridcase something like this would be great.
https://www.pcbway.com/project/shareproject/Meeprom___Writable_option_rom_for_Epson_PX_8__PX_4__TANDY_Model_600.html
Y
22:20
YL3AKC
Yes, I also think about edge contacts, but with some experimental improvements to reduce module height.
29 March 2024
Y
09:50
YL3AKC
Ok, guys, how big memory you want? 128kb x 8
A
11:08
Armin
Yes, 128KB is the largest supported. Other sizes are still easy to find in uvproms
Y
11:33
YL3AKC
I have an idea to add solder pads or small switches and change banks/pages for more flexibility.
11:34
I am looking now on SST39F010A 020A 040A 70ns TSOP from Microchip.
11:35
Also thinking about easy rig for reflashing in programmer.
11:37
With TSOP it's harder to solder, but can make really low height version.
A
11:37
Armin
In reply to this message
Sounds great. Those are cheap and very available, actually have some on my bench right now
KL
11:38
Kirill Leyfer
In reply to this message
Those things exist. Or you mean programming without desoldering tssop from dip adapter?
Y
11:39
YL3AKC
What about Kirill? Any ideas about chip name/brand? What you prefer/can get easily?
A
11:39
Armin
It would be nice to have a dip footprint on the pcb as well. To allow for programming without desoldering.
Y
11:40
YL3AKC
In reply to this message
Not exactly. I want to make something that can be soldered once on PCB, than reprogrammed without soldering.
๐Ÿ‘
A
KL
11:40
Kirill Leyfer
In reply to this message
Anything available from China :)
11:40
In reply to this message
Got you
Y
11:41
YL3AKC
In reply to this message
Can you give any link to 32 TSOP from china, so I can check datasheets for compatibility.
11:43
In reply to this message
Maybe, in worst case, few additional wires for programming, or extra adapter with pogo pins.
A
11:43
Armin
I wouldn't go for anything with more dense pin pitch. To allow for easy soldering.
The SST tsop is just big enough.
11:44
Dip version for scale
Y
11:44
YL3AKC
TSOP can be little challenging for Kirill, but... It's time to improve his soldering skills ๐Ÿ˜Ž
11:45
In reply to this message
What if... TSOP is on back side instead of top? To reduce height even more...
A
11:45
Armin
In reply to this message
Some good solder and flux and some practice should be all that's needed. ;)
Y
11:46
YL3AKC
In reply to this message
Even for software guy... ๐Ÿ˜‰
11:47
Btw, I am at work now, so I am kinda limited now.
A
11:47
Armin
In reply to this message
Definitely possible. But I don't think it needs to be that low. It is already much lower than a regular DIP package.
Y
11:48
YL3AKC
Any ideas on super low profile SMT switches?
KL
11:49
Kirill Leyfer
Huh, didn't find any tsop32 eeproms...
Y
11:49
YL3AKC
Or... Simply solder pads for config?
11:49
In reply to this message
On AliExpress?
A
11:49
Armin
In reply to this message
Something like this?
KL
11:50
Kirill Leyfer
In reply to this message
I am able to solder those
A
11:50
Armin
Looks like exactly what we are talking about.
KL
11:51
Kirill Leyfer
In reply to this message
Exhibit A
A
11:51
Armin
In reply to this message
Bank switching and pin headers for programming
KL
11:51
Kirill Leyfer
Exhibit B :)
Y
11:52
YL3AKC
In reply to this message
Yes, but 2 positions. And I wan it in a way it can be solder pad compatible in case if someone won't use switch.
11:52
In reply to this message
TSOP have 2x smaller legs.
KL
11:53
Kirill Leyfer
In reply to this message
Yep. I'll search some more later
Y
11:54
YL3AKC
In reply to this message
Try on AliExpress SST39VF010-70 040-70
A
11:54
Armin
In reply to this message
These are much smaller. But you'll do fine. ;)
ะ’ะ—
11:54
ะ’ะปะฐะดะธัะปะฐะฒ ะ—ะฐะดะพั€ะพะถะบะธะฝ
In reply to this message
F-k PCBs)
๐Ÿ‘
A
๐Ÿ”ฅ
KL
KL
11:54
Kirill Leyfer
In reply to this message
Oh.. well, it's time to up my soldering game
Y
11:56
YL3AKC
In reply to this message
On PCB it's not that hard. And no problems when there is shorted blog. Aleksey Clusterrr already showed how to solder and fix such problems.
KL
11:56
Kirill Leyfer
In reply to this message
I've seen some soldering magic where people just add a big drop of flux and then use a large tip to solder all pins in one swift move :)

Hope I can do the same after some practice
A
11:56
Armin
In reply to this message
Well said. Working on a nixie clock with point to point soldering. ;)
๐Ÿ”ฅ
KL
Y
11:56
YL3AKC
In reply to this message
And you need good soldering flux gel.
11:58
In reply to this message
3D topology.

What about Cordwood construction?
11:58
12:00
In reply to this message
Damnit, discreet transistor drivers flying...
A
12:01
Armin
I've been experimenting. A bit with different soldering styles.
I want it to become a nice display peice on my work bench. As well as a functional clock.
Y
12:01
YL3AKC
In exsoviet we have ะš155ะ˜ะ”1 for this...
A
12:02
Armin
Here's the prototype for the high voltage nixie driver.
Y
12:02
YL3AKC
Aka 7441 74141...
A
12:02
Armin
Works but I want to make it a bit better looking.
Y
12:03
YL3AKC
I need to ask in another chat for modern Nixie driver IC names.
12:03
Something from Maxim Integrated...
A
12:03
Armin
Using CD4017BE now
12:05
This is my inspiration. Want something similar but. With 4 tubes ofc. For a clock
12:06
And without any microcontroller.
Y
12:07
YL3AKC
In reply to this message
I saw project with diodes, neon bulb counters and photo resistors.
12:08
Clocking from AC mains.
KL
12:09
Kirill Leyfer
you guys make me want to solder some digital clock with transistors/diodes only

Bonus points for no PCB
12:10
but I imagine this project would be very hard
ะ’ะ—
12:11
ะ’ะปะฐะดะธัะปะฐะฒ ะ—ะฐะดะพั€ะพะถะบะธะฝ
I once repaired this clock
โค
KL
A
12:11
12:11
12:11
But it are already made at ULA...
A
12:11
Armin
In reply to this message
Already have mine working with a crystal on a breadboard

I wanted to go for a simpler design clocking from mains and using mains to drive the nixie
But since it needs to be exposed I went with a design that runs off 9v dc for safety.
12:12
In reply to this message
That is so ugly. I love it.
ะ’ะ—
12:13
ะ’ะปะฐะดะธัะปะฐะฒ ะ—ะฐะดะพั€ะพะถะบะธะฝ
And the quartz is shaped like a coffin lol
A
12:13
Armin
Those don't look like nixie, isn't that VFD? Or EL?
ะ’ะ—
12:14
ะ’ะปะฐะดะธัะปะฐะฒ ะ—ะฐะดะพั€ะพะถะบะธะฝ
In reply to this message
yeah, VFD tubes
๐Ÿ‘
A
12:14
Not nixies, but they also look interesting
12:15
And this big piezo. It's hard not to hear the alarm xd
A
12:16
Armin
Indeed, It's unfortunate we've never seen the Compass prototype with VFD display. There has to be one out there somewhere.
12:16
Or any other computer with a large dot matrix VFD.
ะ’ะ—
12:19
ะ’ะปะฐะดะธัะปะฐะฒ ะ—ะฐะดะพั€ะพะถะบะธะฝ
In reply to this message
Lucky that the clock was barely used and the VFD is in good condition
Often after ~30 years (this clock is now 33, it was made in 1991) the tubes shine much worse...
A
12:21
Armin
Yeah it's a shame that all of these early display technologies suffer so much from burn in. Etc.
12:23
9 volts? Than divider from 32kHz, but no transistors! Neon divider only!
ะ’ะ—
12:24
ะ’ะปะฐะดะธัะปะฐะฒ ะ—ะฐะดะพั€ะพะถะบะธะฝ
Interestingly, ULA can do a little more than what is implemented in this clock.
If you connect additional buttons, you can get a second alarm, timer and stopwatch
Y
12:25
YL3AKC
In reply to this message
Well... This is soviet microcontroller with mask ROM. Maybe...
ะ’ะ—
12:26
ะ’ะปะฐะดะธัะปะฐะฒ ะ—ะฐะดะพั€ะพะถะบะธะฝ
yeah
Y
16:53
YL3AKC
Heh! Back to home!
16:53
Question: how shitty is Raspbery Pi 400?
16:54
Answer: so shitty that will not work with almost any 5V USB power supply.
16:54
Solution for shitty PRi 400: DIY PSU beast!
16:55
5 Volts and 6 fu*ing Ampheres without PTC fuse!
16:55
Now RPi 400 is happy!
KL
16:57
Kirill Leyfer
In reply to this message
holy f*ck
16:58
I wonder how many amps RPi 5 eats
Y
16:58
YL3AKC
Yes, looks brutally ugly, but I had these USB3 connectors from desktop PC case front panel...
16:59
In reply to this message
I'll measure, but not today.
u
16:59
usernameak
In reply to this message
how much power it needs?
Y
16:59
YL3AKC
Even original PSU from RPi 400 kit wont work.
u
17:00
usernameak
In reply to this message
and now we've gone full circle with OLED
๐Ÿ‘
A
Y
17:00
YL3AKC
In reply to this message
Have no idea, but not less that 2-2.5 Amps @ 5 Volts.
17:01
In reply to this message
You forgot burned Plasma TVs...
17:03
In reply to this message
Anyway! My 6 Amp beast PSU will handle shitty RPi 400.
17:03
If 6 Amp is not eought for RPi, I have industrial PSU with 5 Volts and...
17:03
120 Amps!
17:04
u
17:04
usernameak
how much can a USB connector even handle?
17:04
without melting into a piece of goo
Y
17:05
YL3AKC
In reply to this message
Don't remember. My PSU have type A USB3 (all data lines shorted), RPi have type C... Need to google.
u
17:06
usernameak
In reply to this message
looked it up - 3A... or 5A with some cables
Y
17:08
YL3AKC
How to remember/find HDD sector deep burn-in test in linux and how to see HDD S.M.A.A.R.T. data in linux...
u
17:09
usernameak
In reply to this message
the latter - smartctl command
Y
17:09
YL3AKC
Should I need to start desktop PC and see what I used 6 months ago?
17:11
BTW, USB mouse from RPi 400 kit is much better than Fujitsu wireless crapMouse.

RPi kit mouse even not feel cheap, because of weight...
17:20
Next fun with shitty RPi 400 kit.

Even with my DIY PSU
dmesg
show
Undervotalge detected

Original USB-A=>USB-C cable looks shitty.
17:21
Conclusion: RPi 400 kit is collection of crappy components.
17:24
Another DIY PSU. This time with PTC fuses. Ideal for WiFi AP, tablet, pones charger. 85% of time all 4 USB sockets are busy.

Based on the same beast 5V @ 6 Amp PSU.
Y
17:47
YL3AKC
Enough of rant and negative thing!
17:47
Let's look on something more positive...
17:47
17:48
I just want to see how will look traces for adapter. No extra features yet.
17:57
At the beginning it looks easy and promising...
17:57
17:58
But we need lot of thinking to implement extra features and user friendliness by now.
KL
18:47
Kirill Leyfer
can't find 128k TSOP32

All I can find is 1MBit / 4MBit
18:48
In reply to this message
oh, sorry, 1MBit is 128kByte ><

stupid
18:48
In reply to this message
yeah, I can get SST39VF010
Y
18:49
YL3AKC
OK
18:50
Now more complex task: find super small SMD slide switch
18:52
Hmm... There is something in aliexpress...
18:54
Loks promising...
18:54
2mm SMD right angle.
19:02
Or this one, but I need to double check dimensions.
KL
19:14
Kirill Leyfer
In reply to this message
Got you

Will order
Y
19:26
YL3AKC
In reply to this message
Don't hurry. Need to finish PCB!
19:27
So far you can try to do something with 64k x8 EEPROMS and buildrom.exe as froof of concept that it is possible to make valid ROMs for Compass.
19:27
Lot of work.
19:31
Hi res schematics.
19:32
Electronics engineers @ConventionalMemories T @sevareva @svetlovmusic What you thing about this?
19:33
As always, I ma trying to fit unfitable...
Work in progress...
19:37
With this concept, we need another fancy adapter for programming.

* Grid compass <=> TSOP32/DIP28+customPins adapter.

* EEPROM programmer <=> DIP32 to DIP28+custom adapter for programming (net yet started) <=> TSOP32/DIP28+customPins adapter (see PCB image).
Y
21:32
YL3AKC
Slowly moving forward...
21:36
Is it GRiD Compass screenshot?
21:37
BTW, interesting channel about oldschool Internet and hadrware restoration.
A
21:42
Armin
In reply to this message
Looks good. But what footprint is that. Seems different then the one I use.
Y
21:43
YL3AKC
In reply to this message
TSOP32 from eagle libary...
u
21:43
usernameak
In reply to this message
TSOP?
Y
21:43
YL3AKC
Could be wrong...
A
21:44
Armin
Yes, that seems longer than normal.
21:44
Y
21:45
YL3AKC
I'll check it... Later.
๐Ÿ‘
A
21:45
I am more or less done today.
21:45
Eat, sleep.
21:45
Tomorrow going to do some HAM radio stuff, then work.
21:46
then work again, and again and again...
u
21:48
usernameak
yeah, it's the shorter TSOP variant
๐Ÿ‘
A
Y
21:49
YL3AKC
Anyway, how schematic look? I like this concept. No need to solder when want to switch "banks" on Flash. No need to worry about switch position when reprogramming. Only thing: need another adapter for programming.
21:49
In reply to this message
I'll check and fix it.
21:50
Also need to make fancy connections on sides. Similar to RPi Pico and ESP32 module boards.
21:51
And need to measure dimensions for round DIP socket's metal insert.
21:54
@ConventionalMemories Want to mess with schematics or PCB?

I am syncing my local folder with https://grid.bs0dd.net/index.php?lang=eng
u
21:55
usernameak
In reply to this message
as the datasheet says, 14mm
Y
21:56
YL3AKC
In reply to this message
OK. My bad. I just took 1st IC from eagle library and...
21:56
Here goes schematic in Eagle CAD format
A
21:59
Armin
I'll take a look at it but don't have much time r.n.
Would be nice to use all parts that jlcpcb has in stock. That way it would be easy to do a small cheap run of them all assembled.
21:59
Of course after having tested the design first
22:01
Also I haven't been keeping up with the gpib emulator. How far along is the hardware on that. Is the design final or does it still need changes in hardware or testing?
Y
22:01
YL3AKC
In reply to this message
Hmm... SMT component part is doable bu JLCPCB, but... DIP needles... Need some hand soldering...
22:02
I am relaxing by watching another (for me) interesting youtube channel:

https://www.youtube.com/watch?v=L8jmHtfVmPY
A
22:03
Armin
In reply to this message
Do we need any dip pins? Only for 1107 and gridcase internal roms I think.
Compass II and gridcase ext roms all use molex carier sockets.
Y
22:04
YL3AKC
In reply to this message
I hope, no changes in hardware, but... This will be 1st attemt to use GPiB driver ICs.

Software is kinda complete, but need minor fixes because of hardware changes.
๐Ÿ‘
A
22:05
In reply to this message
Well, I have no idea... My plan was to use circular DIP socket inserts as "IC legs" and make PCB similar to PRi Pico edge connector.

Have no idea will it be compatible to molex.
22:10
Take this DIP socket
A
22:11
Armin
Hmm, well if you do it similarly to this design with the "edge contacts" you don't need any pins.
Y
22:11
YL3AKC
Break plastics to release metal inserts.
22:11
Then solder them to PCB edges.
22:11
PCB edges looks like no RPi Pico
22:13
I need to measure "middle diameter" for metal inserts and adjust to fit everything together.
A
22:13
Armin
In reply to this message
That would work as well but you can't use the holes for a dip pins. As the spacing isn't correct
Y
22:13
YL3AKC
In reply to this message
Looks very similar to this.
22:14
In reply to this message
I'll correct diametrs and pads to fit.
22:15
Maybe you can help by measuring metal insert dimensions with caliper?
22:16
Also it would be interesting middle section height to know what thickness of PCB can be used.
A
22:17
Armin
I'll take some time tomorrow to measure the sockets and dip carrier
Y
22:17
YL3AKC
In reply to this message
This is only 1st iteration of PCB. It is proof of concept will everything fit on adapter.
22:19
Also I am thinking for additional functionality now: make it compatible with CCPROM. So you can burn different versions of CCPROM (BIOS for GRiDcase) o even use modded versions and switch them as needed.
A
22:21
Armin
It might be better to have 2 separate boards, one for internal DIP sockets. And one for the Molex carier sockets.
Y
22:21
YL3AKC
In reply to this message
I have caliper near hand, but DIP sockets are... somewhere far away in my storage boxes. So I can't fin them now.

And if I remember correctly, you already have broken DIP socket not too far away. It was when I asked you to rest if metal insert can fit into 19 pin serial connector few months ago.
22:22
In reply to this message
But... What about universal board from electronics perspective (connections for all cases) if we can't build universal adapter mechanically?
A
22:26
Armin
It could be universal but it would be easier to have complete holes on the DIP version for soldering. And the edge contacts for the molex version. And of course those need to be in the same spacing. So 2 designs seems easier.
22:27
Also I think the molex ones are more useful. Not much need for 128KB DIP 28 roms in grid.
Y
22:27
YL3AKC
Maybe... I just like an idea for one super universal PCB so no need to mess with different versions. But... If it isn't possible, then definitely 2 PCBs.
๐Ÿ‘
A
22:28
In reply to this message
Hmm? Mostly only 64kB version needed?
A
22:30
Armin
In reply to this message
I don't know if the 1107 supports 128KB roms.

The only other one that needs 128KB DIP roms is the original gridcase on the 4 internal sockets. (The 4 external sockets are molex)
22:30
(Gridcase plus supports 32pin DIP for internal sockets)
22:31
Maybe first gen. GRiDlite?
Don't know for sure.
Y
22:33
YL3AKC
In reply to this message
only 1121-1139 can use external ROMs.
They are useless for 1100-1109 because not have any sockets for ROMs (CCPROM not counted).

1100-1109 can benefit only if somebody want to have different CCPROM versions
A
22:34
Armin
In reply to this message
Yes but compass II is all molex sockets so no need for DIP.

Only 1107 has internal DIP "program roms"
Y
22:35
YL3AKC
In reply to this message
Hmm... Yes... 1107 have...
A
22:36
Armin
In reply to this message
Yes
โค
TT
Y
22:36
YL3AKC
OK, then. Molex as priority. DIP as 2nd alternative, but later..
๐Ÿ‘
A
22:37
In reply to this message
This image... I know from where it comes... Lol!
A
22:38
Armin
In reply to this message
Hehe, yes. You are not the only one saving all old ebay listings ;)
Y
22:46
YL3AKC
OK, going to sleep!
๐Ÿ‘
A
30 March 2024
Y
23:32
YL3AKC
Bad news: ROMs for Compass are interesting, but...

Not much work done to research 1139 CCPROm and even ledd research on 1129.

I can see that CCPROM is doing something with ROMs when initializing, but right now have no idea about details.

Need to invest time into 1129/1139 CCPROM research using IDA dizassembler.

But I am going in a way from simple to hard. So I am working more on 1101 and will move forward when finish with 1101.
23:33
@ConventionalMemories do you have detailed PIC on molex ROM connectors. I am trying to understand mechanical difference between DIP and molex ROMs.
23:33
In reply to this message
And... Again: going to sleep.
u
23:34
usernameak
In reply to this message
the difference is in the socket, not in the chip package
Y
23:36
YL3AKC
In reply to this message
Yes, but I want to see mechanical details for both to understand difference.
23:38
As I know: molex are plastic inserts where goes DIP IC and then IC legs are bend.

This text sounds like screenplay for porno movie...
1 April 2024
Y
21:02
YL3AKC
Okay!
21:02
I have some spare time.
21:02
Does anybody have drawings for MOLEX DIP sockets?
21:04
@Megabozyakorovka What about more universal ROM adapters compatible with Epson and other computers?
21:05
Looks like it is possible to make 4-in-1 ROM if use 4 MBit Flash IC and one in one if using 1 MBit Flash IC.
21:07
I'll thin about schematic to make adapter compatible with 8-64 KByte EEPROMs (various computers) + 128 KByte masked ROM (GRiD, and maybe for other computers).
21:08
Ow! There is problems witf
SST39VF040 Flash!


SST39VF040 - 3.3 volt version!

SST39F040 - 5 volt version!
21:09
SST39SF040 - also 5 Volt compatible.
21:10
@ConventionalMemories @Megabozyakorovka note this when purchasing Flash ICs online!
KL
21:21
Kirill Leyfer
In reply to this message
Good idea, but I am always for simplicity
21:22
In reply to this message
Got you, what version should I get? 5v?
21:22
Got my connectors today. Relieved to see they actually fit
Y
21:25
YL3AKC
In reply to this message
Yes, you need 5 Volt version. 3.3V kinda work for some time, but no warranties.
21:27
In reply to this message
This is cool!

GPiB it almost the same Centronics, but with 3X price...
KL
21:34
Kirill Leyfer
In reply to this message
Got you
21:34
In reply to this message
That's actually insane
21:35
Like look at this sh*t

$1800 for a damn usb-gpib adapter
Y
21:39
YL3AKC
In reply to this message
It's Keysight, baby! Welcome to measurement world!

1800 is a little too much, but 400 is normal price for Keysight...

Of course, we can build it for 20-30 bucks...
KL
22:18
Kirill Leyfer
In reply to this message
Keysight is 400, the rest is Chip&dip's greed

They're like the biggest offline electronic components store in here, so they can easily charge x5 the price :)
Y
22:21
YL3AKC
What GPiB drivers you have? IC names? IC Packeges? Pin count?
KL
22:23
Kirill Leyfer
In reply to this message
I'm fine with the concept "buy from us now for x5 the price or get it for cheap from AliExpress next month"

But sometimes chip&dip don't have the most basic things in stock

Like I couldn't get 6x30 mm 1A/250v slow burning fuse for GRiD today...

That's insane, you had one job!
22:23
In reply to this message
Uh... Let me check
22:25
In reply to this message
SN75161BN 20 pin DIP
SN75160BN 20 pin DIP
Y
22:25
YL3AKC
In reply to this message
Other electronic stores in your city? Maybe small component boutiques or local emporium?
KL
22:27
Kirill Leyfer
In reply to this message
We actually have a "flea market" here specifically for electronic components & stuff

Well, it was a flea market in the 90s, now it's more like a bunch of boutiques there

I might search for the fuse there :)
Y
22:28
YL3AKC
You need ะข1ะ for 120V supply or T0.5A for 230V supply.
22:28
T is for slow, F is for fast.
KL
22:28
Kirill Leyfer
In reply to this message
But "flea market" vibes are still strong :)
Y
22:28
YL3AKC
AC mains usually must be T.
22:29
In reply to this message
Ou year! I know this kind of places, but wast in local for long time...
22:32
In reply to this message
OK, DIP. Take note that you need to put SN75161BN "in middle" holes. 4 corner holes are for SN75162.

And use my favorite "pro" DIP socket with "round" inserts if possible.
22:33
In reply to this message
If you add thru hole resistors and capacitors, your PCB will look really vintage...
22:35
In reply to this message
I am wondering what is that device? Cash machine or vintage calculator?
KL
22:38
Kirill Leyfer
In reply to this message
Surely has a number pad... Not sure what it is
ะ’ะ—
22:44
ะ’ะปะฐะดะธัะปะฐะฒ ะ—ะฐะดะพั€ะพะถะบะธะฝ
DEC-BIN-DEC (8bit) converter on calculator, huh...
๐Ÿ”ฅ
KL
9 April 2024
Y
23:23
YL3AKC
10 April 2024
Y
21:06
YL3AKC
Not GRiD related, but still topic for me...
17 April 2024
YL
12:56
Yuri S. Leskovec
โค
YL
KL
๐Ÿ”ฅ
Y
KL
14:25
Kirill Leyfer
In reply to this message
Soon...
ะ’ะ—
16:04
ะ’ะปะฐะดะธัะปะฐะฒ ะ—ะฐะดะพั€ะพะถะบะธะฝ
The only thing worse than simple reversing is reversing with scratched chips
19 April 2024
Y
09:33
YL3AKC
In reply to this message
Who needs markings if we can figure schematics without markings?
09:34
I can't GRiD now...
Y
09:34
YL3AKC
Y
YL3AKC 19.04.2024 09:28:10
๐Ÿ”ฅ
KL
Y
09:35
YL3AKC
Y
YL3AKC 19.04.2024 09:28:41
ะ’ะ—
09:42
ะ’ะปะฐะดะธัะปะฐะฒ ะ—ะฐะดะพั€ะพะถะบะธะฝ
In reply to this message
Yeah...
๐Ÿ”ฅ
E
09:42
In reply to this message
09:42
In reply to this message
09:42
In reply to this message
09:42
In reply to this message
09:42
In reply to this message
KL
10:10
Kirill Leyfer
In reply to this message
Vacation?
20 April 2024
Y
14:31
YL3AKC
In reply to this message
Yes. On Sunday going back.
21 April 2024
KL
13:32
Kirill Leyfer
Got @YL3AKC 's boards!

Ordered 5

Got 10

All for $1 and $7 shipping

80c a piece!
13:32
13:35
Perfect fit!
13:35
Y
14:24
YL3AKC
Add 2K resistors
14:25
And, optionally, 100 nF capacitors
14:25
And it's time to solder!
KL
15:48
Kirill Leyfer
In reply to this message
yup, also gotta source some 40pin female, 24pin and 10pin male headers

100nf are those small
15:49
quick question - small orange ceramic capacitors with "104" on them - those are 10^-4 f => 100uf?

And i need 100nF?
15:52
I f*cking hate Chip&Dip

(min order = 100pcs, even 4000 sometimes)
u
15:54
usernameak
In reply to this message
oh and don't forget to pick the right size ;)
KL
15:55
Kirill Leyfer
In reply to this message
I will pick nothing there, who in the right mind would buy hundred of them
u
15:55
usernameak
yeah, i'm just saying that in general
KL
15:56
Kirill Leyfer
oh, thank goodness those small ceramic with "104" on them are actually 0.1 uF => 100 nF

I have plenty of those
15:57
In reply to this message
The board has a through-hole option, that's what I'm gonna use
Y
19:44
YL3AKC
In reply to this message
104 = 10 pf * 10^4 = 100nf
19:46
Pcb have both snmt and th options for capacitors
19:48
If you put 1 uF or 10uF also not a big deal. These cรกps are for perfectionists.
19:53
No cap at all are also ok.
19:55
Btw, these caps have the same function on pcb as old burning tantalum caps on vintage electronics.
23 April 2024
Y
12:48
YL3AKC
Hmm
12:48
Web browser for GRiD OS? Maybe...
KL
22:22
Kirill Leyfer
Got resistors, gonna get pin headers tomorrow and other kind of headers on Friday
22:22
And then solder everything together
25 April 2024
Y
12:29
YL3AKC
Learning new things...
12:29
KL
13:17
Kirill Leyfer
In reply to this message
Ghidra? Procrastinating to learn it, too
ะ’ะ—
13:18
ะ’ะปะฐะดะธัะปะฐะฒ ะ—ะฐะดะพั€ะพะถะบะธะฝ
In reply to this message
So use IDA from Dr.Web))0
Y
13:44
YL3AKC
In reply to this message
Yes, why not?
26 April 2024
Y
18:30
YL3AKC
Just another programming challenge at work!
18:31
Thanks to this mini project at work, I start to hate web development even more.
KL
18:37
Kirill Leyfer
In reply to this message
Sorry to hear that you had to deal with web

I tried to participate in CTF and most of the tasks were also web related, what a waste...
Y
18:39
YL3AKC
In reply to this message
Technically this is IT personell work, but...

IT guy is an as**le. So...

Engineer thinking: if you want to make something correct ans working, do it your self.

My daily work is not related to IT, computers, programming and web.
KL
18:44
Kirill Leyfer
In reply to this message
Here's some fun js shit for you)
Y
18:45
YL3AKC
In reply to this message
18:46
Today 38 years ago something bad happened...
18:46
KL
18:53
Kirill Leyfer
In reply to this message
Watched HBO's Chernobyl

I can relate to the first scene (with tests) so much...

That eerie feeling when you're doing something and not exactly sure that you're doing everything right. Like flashing a device. And then suddenly the device bricks... And the realization of something irreversible happened just gives you an adrenaline hit and you're panicking, but it's too late
18:53
In reply to this message
Here's the same thing, but with much much more destructive consequences
18:55
Also, ChOrnobyl, I suppose (the Ukrainian transliteration)
19:03
Highly recommend, great series, liked it a lot

Had a friend at the time, she was obsessed with HBO Chernobyl fan fiction... I had no idea those exist but here we go, rule 34 all the way...
Y
19:05
YL3AKC
Just because today is today...
19:06
And I have post vacancy depression... I want back to Turkey 5 star hotel with free drinks +27 celsius.

Can't wait end of work day...
19:07
In reply to this message
This one... Live in Japan and in Japanese language...
19:08
Another one...
19:09
I was here and worked on video production in this festival.
19:09
Not my video. Video from crowd.
19:12
Entrance to my room (ะบะฐะผะพั€ะบะฐ) at work.
ะ’ะ—
19:33
ะ’ะปะฐะดะธัะปะฐะฒ ะ—ะฐะดะพั€ะพะถะบะธะฝ
In reply to this message
Bruh
Y
20:02
YL3AKC
In reply to this message
Time to add something to "My stickerpack"... ๐Ÿซค

https://t.me/gridcompasschat/7542
20:04
Y
21:29
YL3AKC
In reply to this message
Btw, I prefer old MS Basic or Borland C instead of modern JavaScript+CSS or Python.
ะ’ะ—
21:35
ะ’ะปะฐะดะธัะปะฐะฒ ะ—ะฐะดะพั€ะพะถะบะธะฝ
In reply to this message
This is much worse than MS BASIC
Y
21:36
YL3AKC
In reply to this message
๐Ÿค” Hmm...
3 May 2024
KL
11:27
Kirill Leyfer
Got my precious pin headers

Bought in bulk, so theoretically I can make a couple of @YL3AKC 's adapters

Will solder on the weekend
Y
11:37
YL3AKC
In reply to this message
Nice one!
11:38
I am watching GPiB Floppy disk repair now...
11:38
Not related to GRiD, but... GPiB is GPiB...
4 May 2024
Y
11:23
YL3AKC
@Megabozyakorovka Soldering time?
KL
11:26
Kirill Leyfer
In reply to this message
Gimme a sec...
u
11:27
usernameak
In reply to this message
lifting, huh?
Y
11:28
YL3AKC
In reply to this message
Yeah! I also start doing fitness. Yesterday repaired my bicycle. When good weather, I'll go to work (4.5KM one direction) with bicycle instead of public transport or taxi.
๐Ÿ”ฅ
KL
KL
11:32
Kirill Leyfer
In reply to this message
So my spine won't pour out in my pants by 35
11:32
In reply to this message
That's cool!
Y
11:33
YL3AKC
11:33
In reply to this message
It's achievement because I am guy on right!
11:34
@Megabozyakorovka Maybe soldering on twitch?
11:36
Do it in youtuber "This Old Tony" style: Camera shows only your hands while working.
ะ’ะ—
11:46
ะ’ะปะฐะดะธัะปะฐะฒ ะ—ะฐะดะพั€ะพะถะบะธะฝ
In reply to this message
F-k fitness xd
Recently I have gained 10 kg. Well, at least I stopped looking like a stick
Y
11:48
YL3AKC
In reply to this message
Well... With my 100 kg...
KL
12:17
Kirill Leyfer
In reply to this message
It comes with age

I'm also +10kg from when I was 16 :)
12:18
In reply to this message
Reminds me of a joke about the army

Army is a place where you carry round things and roll square ones
Y
12:48
YL3AKC
I am strange guy because I prefer Gambas3 instead of Python 3

Why. I learned QBASIC I was teenager.

Because Gambas3 is almost BASIC + obecet oriented, I like to work with string data in Gambas3 and don't want to learn Python
ะ’ะ—
13:15
ะ’ะปะฐะดะธัะปะฐะฒ ะ—ะฐะดะพั€ะพะถะบะธะฝ
Ah shit
I hate these boxes
My box for Sagem worked on version 13. And when I tried a newer version, it considered the box to be faulty and automatically tried to fix it, but without a server this is impossible. As a result, box is now only good for trash...
u
13:15
usernameak
let me guess, it nuked the firmware?
ะ’ะ—
13:20
ะ’ะปะฐะดะธัะปะฐะฒ ะ—ะฐะดะพั€ะพะถะบะธะฝ
In reply to this message
Yeah
v13 isn't work now๐Ÿ˜ข
13:21
this crap started the โ€œrepairingโ€ process without even asking me...
13:22
There are HEX files for version 10 on the internet, but this is even older...
13:22
And I don't know how to flash them...
ะ’ะ—
13:44
ะ’ะปะฐะดะธัะปะฐะฒ ะ—ะฐะดะพั€ะพะถะบะธะฝ
In reply to this message
I wonder if it is possible to dump the firmware from AtMega32 in an activated box and then flash it here...
Y
14:13
YL3AKC
Mobile phones? Again? ๐Ÿ˜•
u
14:58
usernameak
In reply to this message
if it's an ATMega, then using a SPI programmer
KL
15:16
Kirill Leyfer
Alright, streaming time in 30 min

Lemme grab some wine real quick so my hands won't shake)
ะ’ะ—
15:19
ะ’ะปะฐะดะธัะปะฐะฒ ะ—ะฐะดะพั€ะพะถะบะธะฝ
In reply to this message
I'll have to desolder it for that, right?
u
15:20
usernameak
In reply to this message
depends on whether there are test points
Y
15:20
YL3AKC
In reply to this message
On twitch?
ะ’ะ—
15:23
ะ’ะปะฐะดะธัะปะฐะฒ ะ—ะฐะดะพั€ะพะถะบะธะฝ
In reply to this message
Huh...
15:23
In reply to this message
15:23
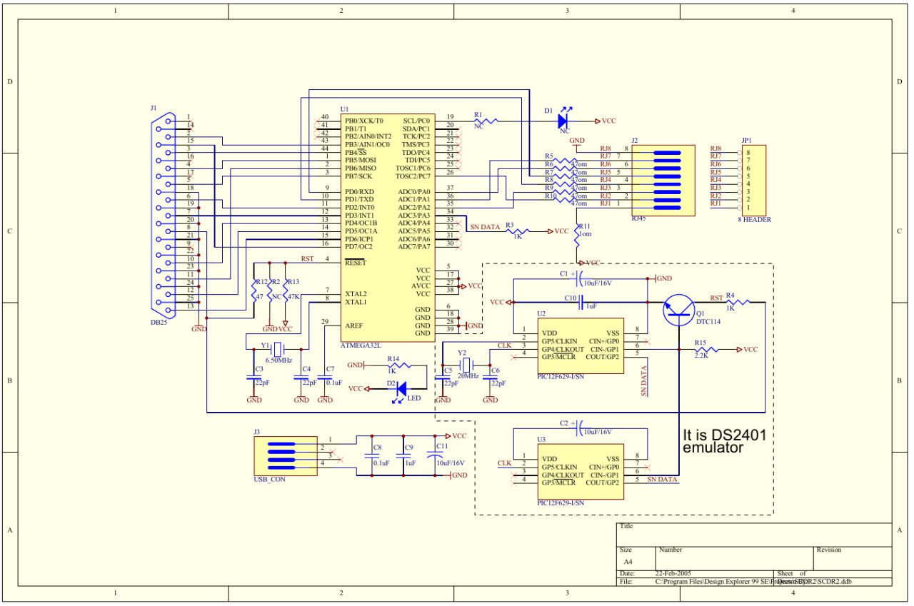
Two PICs used for DS2401 emulation
15:26
But somehow this program was able to reprogram AT32...
KL
15:26
Kirill Leyfer
In reply to this message
yup
u
15:26
usernameak
In reply to this message
wait why VCC is going to nowhere
ะ’ะ—
15:27
ะ’ะปะฐะดะธัะปะฐะฒ ะ—ะฐะดะพั€ะพะถะบะธะฝ
In reply to this message
?
15:27
where
u
15:27
usernameak
In reply to this message
(or is it going somewhere under the chip?)
15:27
In reply to this message
pin 5
15:28
SPI is definitely wired to the LPT header
15:28
(that's, i assume, how the thing even got wiped in the first place)
ะ’ะ—
15:29
ะ’ะปะฐะดะธัะปะฐะฒ ะ—ะฐะดะพั€ะพะถะบะธะฝ
Y
15:29
YL3AKC
In reply to this message
I can watch until 18:00, then need to go to work.
ะ’ะ—
15:30
ะ’ะปะฐะดะธัะปะฐะฒ ะ—ะฐะดะพั€ะพะถะบะธะฝ
In reply to this message
So, theoretically, I can flash it without soldering?
u
15:30
usernameak
In reply to this message
to flash you basically need SS, MOSI, MISO, SCK and RESET lines
15:30
so yep
ะ’ะ—
15:31
ะ’ะปะฐะดะธัะปะฐะฒ ะ—ะฐะดะพั€ะพะถะบะธะฝ
In reply to this message
Is it possible to read the firmware in this way? I know people who seem to still have activated boxes on newer versions
Perhaps we can read the HEX and flash it into my box?
u
15:31
usernameak
In reply to this message
it is possible if it's not read-protected
ะ’ะ—
15:32
ะ’ะปะฐะดะธัะปะฐะฒ ะ—ะฐะดะพั€ะพะถะบะธะฝ
In reply to this message
wut?
special flags?
u
15:32
usernameak
In reply to this message
yup
ะ’ะ—
15:32
ะ’ะปะฐะดะธัะปะฐะฒ ะ—ะฐะดะพั€ะพะถะบะธะฝ
But it can be checked, right?
u
15:32
usernameak
In reply to this message
yep
15:33
In reply to this message
pull reset down to ground and connect a programmer to SPI lines
ะ’ะ—
15:34
ะ’ะปะฐะดะธัะปะฐะฒ ะ—ะฐะดะพั€ะพะถะบะธะฝ
In reply to this message
Maybe I can somehow flash it directly via LPT, as this program does
15:34
(I don't have an SPI programmer right now)
u
15:34
usernameak
In reply to this message
not sure if there are tools that will work with this specific pinout
KL
15:35
Kirill Leyfer
In reply to this message
I hope soldering itself won't take long

but checking if everything works is another story, probably not gonna do it today
Y
15:37
YL3AKC
In reply to this message
At least, you need to change pinout in code.

Then set 2 (or 3) pins to correct logic level.

And add TE logic to code, because TE pin change data direction on bus drivers.
15:37
Btw, do you have 10mm spacers (disctancers) for PCB?
KL
15:40
Kirill Leyfer
In reply to this message
nope, wanted to buy them but completely forgot
15:40
gonna order now
Y
15:42
YL3AKC
10 mm spacers for M3 screw (4 pcs) and M3 screws (8 pcs). Or... Whatever mechanics...
KL
15:46
Kirill Leyfer
In reply to this message
ordered, gonna get it tomorrow
Y
15:47
YL3AKC
In reply to this message
Sounds like fast delivery...
15:47
OK, standing by for twitch...
KL
15:49
Kirill Leyfer
just a moment, sockets in extension cord are loose as...

gonna find a replacement
16:00
ะฝัƒ ั‡ั‚ะพ ั‚ะฐะผ?
16:00
i guess it's live
Y
16:01
YL3AKC
Broadcaster connected...
Y
17:13
YL3AKC
That was cool!
17:13
See you later!
KL
17:13
Kirill Leyfer
thanks, see you!
Y
17:45
YL3AKC
At work...
17:46
There are 3 additional pins on PCB.
17:46
Te, SC and PE.
17:47
SC and PE need to set on correct logic levels once on emulator initialisation.
17:47
Don't remember and don't want to read datasheet on phone.
17:48
Te need to change when switching data direction aka in routine when changing Dio pins direction.
17:49
But, before that it is good idea to test every pin individually with small test program.
Y
18:15
YL3AKC
Somewhere in my archive there is test program for pins. I'll check later and send link.
Y
18:18
YL3AKC
ะก
ะกั‚ะฐั€ะพะต ัั‚ะฐั€ัŒั‘ 04.05.2024 17:24:18
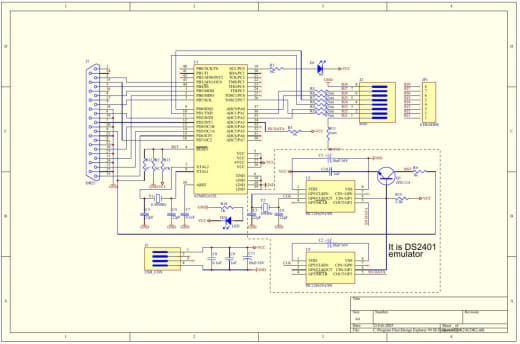
ะะฐะบะพะปะฑะฐัะธะปะธ ัะฟะตั†ะธะฐะปัŒะฝัƒัŽ ะธะฝั‚ะตั€ั„ะตะนัะฝัƒัŽ ะฟะปะฐั‚ัƒ ะดะปั ัะฒัะทะธ GRiD Compass ะธ Raspberry PI, ั ะฟั€ะธะผะตะฝะตะฝะธะตะผ ัะฟะตั†ะธะฐะปัŒะฝะพ ะดะปั ัั‚ะธั… ั†ะตะปะตะน ัะพะทะดะฐะฝะฝะพะน ะปะพะณะธะบะธ (SN75160/75161)

ะะฐะดะตัŽััŒ, ั ะตะต ะฟะพะผะพั‰ัŒัŽ ะบะพะผะผัƒะฝะธะบะฐั†ะธั ะผะตะถะดัƒ ะฟะธั…ะพะน ะธ ะณั€ะธะดะพะผ ะฝะฐะบะพะฝะตั† ะฒะทะปะตั‚ะธั‚ ะฑะตะท ะฟั€ะพะฑะปะตะผ
18:18
ะก
ะกั‚ะฐั€ะพะต ัั‚ะฐั€ัŒั‘ 04.05.2024 17:24:18
Y
18:22
YL3AKC
Hmm... There is also DC line. Don't remember what it's doing.
Y
19:07
YL3AKC
Ok.

Set as output and PE high, SC low on init.
19:10
TE and DC... Set as outputs and levels... Well, I am still reading datasheets to understand, but looks like you need to change depending on sending or receiving data on bus. Also looks like need additional manipulation with ATN on emulator code. Maybe...
Y
20:12
YL3AKC
Ok, DC output and high on init
20:13
TE output on init. Level depends on data direction. Need additional logic for ATN pin in code when changing data direction.
20:14
Complicates emulator software logic a little bit.
5 May 2024
u
00:05
usernameak
2999 %)
KL
00:11
Kirill Leyfer
In reply to this message
Someone unsubscribed after the last post)
8 May 2024
Y
21:44
YL3AKC
In reply to this message
2992 now. Looks like you need to open comments. Let's get back to 3K.
12 May 2024
TT
05:37
T Tron
In reply to this message
does it work?
Y
12:15
YL3AKC
In reply to this message
I can answer you following:
Sun nuclear reactor is working (check northern lights and radio interference).

Sun is heating, nobody sitting near computers including @Megabozyakorovka
12:15
Stalking on @Megabozyakorovka show following:
Y
12:16
YL3AKC
P
Paw Noir C64 devlog 11.05.2024 21:28:46
ะงั‚ะพ ะถ. ะ˜ะฝะพะณะดะฐ ัั‚ะพะธั‚ ัะดะตะปะฐั‚ัŒ ะฟะตั€ะตั€ั‹ะฒ ั‡ั‚ะพะฑั‹ ะฟะพัะผะพั‚ั€ะตั‚ัŒ ะฝะฐ ะฒะตั‰ะธ ัะฒะตะถะธะผ ะฒะทะณะปัะดะพะผ. ะŸั€ะพะดะพะปะถะฐะตะผ
Y
12:16
YL3AKC
P
Paw Noir C64 devlog 11.05.2024 21:41:34
ะ•ั‰ั‘ ะฟะปัŽั ัะฒะตะถะตัั‚ะธ ะฒะทะณะปัะดะฐ: ะฝะฐัƒั‡ะธะปัั ะฒะพัะฟั€ะพะธะทะฒะพะดะธั‚ัŒ ะฒะพั‚ ั‚ะฐะบะพะน ะฑะฐะณ. ะขะตะฟะตั€ัŒ ะฝะฐะดะพ ะฟะพะฝัั‚ัŒ, ะฒ ั‡ั‘ะผ ะดะตะปะพ ะธ ะบะฐะบ ะตะณะพ ะธัะฟั€ะฐะฒะธั‚ัŒ
Y
12:16
YL3AKC
Conclusion: @Megabozyakorovka continue on Commodore64 game develop/debugging now.
12:17
So, short answer: nobody knows working state for GPiB RPi PCB shield now.
TT
19:43
T Tron
Hahaha
19:43
Good answer
19:43
I have been traveling also on business last 4 of 5 weeks
19:43
No time for grid anymore :(
Y
19:48
YL3AKC
In reply to this message
Never say: anymore
Say: right now
๐Ÿ‘
TT
14 May 2024
YL3AKC invited GRiD_Discord_Telegram_Bridge_bot
KL
10:29
Kirill Leyfer
Hu huys, we have a discord all of a sudden? :D
Y
10:31
YL3AKC
In reply to this message
Just made. Trying to setup bridge bot...
Y
15:02
YL3AKC
Hmm... Kinda works, but I am still not happy with this.
Y
15:46
YL3AKC
Looks like it working almost perfectly.
15:47
No discord user name, but other things works.
15:49
Now, these, who prefer discord instead of telegram can go to discord. Both chats are connected now.
15:49
In reply to this message
Here is invite link!
G
15:50
GRiD_Discord_Telegram_Bridge_bot
Greetings from discord!
Y
21:19
YL3AKC
17 May 2024
Y
14:00
YL3AKC
T @ConventionalMemories Can you PM me? Looks like some a*holes partially blocked my account again and I can't start PM.
๐Ÿ‘
A
20 May 2024
TT
20:41
T Tron
Done
๐Ÿ‘
Y
23 May 2024
Y
22:00
@Megabozyakorovka Can you upload GPiB stream videos from twitch to youtube?
22:03
#offtopic

Today died duckduckgo.com
I moved to google.com/ncr temporary.

๐Ÿคฌ
1 June 2024
A
02:42
Armin
Did anyone here buy the 1107 last week?
A
15:29
Armin
What's the difference between the 1139 and 1137?
15:29
Tempest version of the 1139 maybe?
As the 1107 is the tempest version of the 1109 sort of
A
15:45
Armin
I have my eye on a 1137 + 2101 that I think I can trade some other IBM stuff for.
But I wonder if the 1137 is as useful as a 1139, as I'm not sure it has the rom sockets.
Y
15:45
YL3AKC
xxx7 is 256kb ram
15:46
12xx and 13xx have ROM sockets
A
15:46
Armin
In reply to this message
Isn't that 1131 vs 1139?
Y
15:46
YL3AKC
13xx have 512x256 display
15:47
In reply to this message
Check t tron's wiki
A
15:47
Armin
The 1137 doesn't have the external rom socket door.
Maybe it's covered with tempest shielding
Y
15:47
YL3AKC
The is price list for GRiD models
15:47
In reply to this message
Hmm. Maybe
A
15:52
Armin
In reply to this message
Doesn't mention 1137
Y
16:07
YL3AKC
Back to PC
16:07
In reply to this message
Hmm...
16:07
Then need to dig in Internet.
16:08
Offtopic: just build DMR Ham radio repeater.
๐Ÿ‘
A
Y
16:08
YL3AKC
IM
Inga Muste YL3IM 01.06.2024 14:44:33
In progress....
16:08
IM
Inga Muste YL3IM 01.06.2024 14:44:33
16:08
IM
Inga Muste YL3IM 01.06.2024 15:11:26
16:08
IM
Inga Muste YL3IM 01.06.2024 15:11:26
16:08
IM
Inga Muste YL3IM 01.06.2024 15:31:31
A
16:08
Armin
In reply to this message
Same, google books doesn't seem to have much on the 1137.
Now digging trough Internet archive
Y
16:09
YL3AKC
Sounds like 1137 is rare and not much info about it.
๐Ÿ‘
A
A
16:10
Armin
In reply to this message
Hehe nice case. ;)
Y
16:13
YL3AKC
In reply to this message
Better than IKEA plastic storage box.

There was more things for improvements, but, she have cuvred_hands.dll and ruined front plastic panel and ugly hole on rear side.
16:14
This is freaking BAD IDEA for repeater equipment.
Y
16:14
YL3AKC
IM
Inga Muste YL3IM 27.05.2024 16:52:53
Y
16:15
YL3AKC
PC case is ugly, but if we compare with plastic storage box... Not that bad.
A
16:41
Armin
I've seen some cool projects in old cheap oscilloscope cases. That's pretty cool.
16:49
If this is correct then the 1137 does have an internal rom daughterboard.

https://www.yourprops.com/Sentry-Gun-Terminal-GRiD-replica-movie-prop-Aliens-1986-YP61845.html
16:49
Not much else I can find on the 1137
Y
16:51
YL3AKC
Take it! If you can!
A
16:53
Armin
I think I will, that will also get rid of some of the IBM stuff I don't really need. ;)
16:54
Any tips on what a 1137 might be worth? Any sold 1139 listing price info?
Y
16:55
YL3AKC
@leskovezzz ๐Ÿ‘†
ะ’ะ—
19:02
ะ’ะปะฐะดะธัะปะฐะฒ ะ—ะฐะดะพั€ะพะถะบะธะฝ
In reply to this message
Offtopic: preparing a video on i-onization S/ME45
A
23:12
Armin
Any guess what this issue might be on an 1101? (Not mine)
23:12
Ram is my guess?
Y
23:13
YL3AKC
Looks like RAM.
23:13
Schematics can locate low side 128 KB chips.
23:13
Or... Maybe, RAM refresh fault.
u
23:14
usernameak
In reply to this message
wouldn't it be vertical bars rather than checkerboard?
A
23:15
Armin
In reply to this message
Yes, that's what I'm thinking.
Also, I forgot. Did we already figure out how to initiate new bubble replacements?
u
23:16
usernameak
In reply to this message
(unless two chips died OR it is not RAM but address decoding)
Y
23:18
YL3AKC
In reply to this message
No, we didn't, but there are guys on other side of lake, they can rebuild bubble with... Original 7020 controller, full set of chipset and arduino. Check T Tron's wiki pages.
๐Ÿ‘
A
23:22
I would like to make program in GRiD OS for this an repair bubbles in Compass. Without additional soldering and arduino.

Or write code and burn in EEPROM. Then swapt oroginal CCPROM with my own and reinitialise bubble. In case if I don't have external floppy. Even more: write full diagnostic ROM for GRiD to test everything: modem, CPU, RAM, Bubbles, GPiB, address space etc.
23:23
Need to look on Ultimate diagnostic cartridge ROM for Commodore 64 for ideas and inspiration ho to do diagnostics correctly and in right order.
23:26
In reply to this message
Hmm... Wait a moment. Could be PAL and serial shift register problem. Looks like on one work output bit stuck to logic 1. On another word output is random noise.
23:27
But... No schematics yet for Compass "GPU" (video subsystem).
A
23:28
Armin
In reply to this message
Looks like 1137 needs to be added to the model list. :)
Y
23:28
YL3AKC
In reply to this message
Have you an account in his wiki?
A
23:29
Armin
Not yet
23:30
Also. If I manage to get that 1137 I'll definitely do some detailed teardown comparing it to the 1139
Y
23:30
YL3AKC
#Offtopic again!
Wtf? Is discord spying on me in linux?
23:30
Yes, I am playing Klondike Solitaire while watching youtube...
23:31
In reply to this message
โค๏ธ
3 June 2024
YL
12:26
Yuri S. Leskovec
In reply to this message
In 1984 1139 around $8000, 1137 around $12000
Y
12:28
YL3AKC
In reply to this message
And current market price for B-Stock?
YL
12:32
Yuri S. Leskovec
In working condition 1139 - up to $2000, 1137 - RARE - $3000
12:45
Vintage Grid Laptop 1109 W/ Disc System 2101 Powers On - Date Prompt - R A R E | eBay
https://www.ebay.com/itm/135084380814
12:45
1109 with HDD! ๐Ÿ˜ฑ
ะ’ะ—
12:45
ะ’ะปะฐะดะธัะปะฐะฒ ะ—ะฐะดะพั€ะพะถะบะธะฝ
โ˜ ๏ธ
YL
12:49
Yuri S. Leskovec
A
12:56
Armin
In reply to this message
Thanks yes, that's about what I guessed currently ebay value would be.
A lot more than my budget,
But grid prices have gone true the roof in the last years.
12:57
I've seen some basic lcd 1520 models go for hundreds on ebay in the last years.
13:01
But I managed to reach an agreement trading some of my IBM monitors.

So, very happy to announce that the 1137 and 2101 should be coming soon. ;)
YL
13:05
Yuri S. Leskovec
High inflation started in 2021 and prices continue to rise
A
13:09
Armin
@leskovezzz it seems you've been following the GRiDs for a while.
Ever heard of a collector named "William German" in the US?
He passed away a few years ago but he had one of the largest grid collections I ever hear of.
YL
13:16
Yuri S. Leskovec
Yes, I knew him, we communicated
13:18
I lost contact with him during the covid19
A
13:25
Armin
Unfortunately it appears he passed away.
I just learned that all the stuff I got last year came from his estate. 1101, 2107, 2701 and 1535exp
13:26
Also the 1137 appears to come from there, I wonder what happened to his collection. Or if it all got parted out.
YL
13:29
Yuri S. Leskovec
ะ’ะ—
13:30
ะ’ะปะฐะดะธัะปะฐะฒ ะ—ะฐะดะพั€ะพะถะบะธะฝ
holy...
A
13:31
Armin
From what I can tell he also had hundreds of GRiDs
13:32
I've seen some pictures of GRiDs in stacks of 20 piled up from his estate
YL
13:33
Yuri S. Leskovec
He also donated several rare laptops to museums
๐Ÿ‘
A
A
13:35
Armin
That's great, seems like someone I would have loved to meet.
Looking at your picture I have about half of those in my collection. ;)
๐Ÿ‘
YL
13:39
In reply to this message
Speaking of your museum, do you only collect laptops? I don't see any early big portables like the osborne. Or lunchbox style.
Just curious;)
YL
13:46
In reply to this message
Only laptops ๐Ÿ˜. I can find all laptops from 1982-1985
๐Ÿ”ฅ
A
A
13:58
Armin
In reply to this message
Ohh nice, anything you are still looking for?
YL
14:00
Yuri S. Leskovec
In reply to this message
Only GRiD's๐Ÿ˜
๐Ÿ‘
A
A
14:02
Armin
In reply to this message
Which ones?
YL
14:07
Yuri S. Leskovec
GRiDCase 1590 most wanted
14:08
GRiD SET
A
14:10
Armin
1590? Isn't that one of the new models?
14:15
In reply to this message
I only know that one exists because of your website ;)
YL
14:20
Yuri S. Leskovec
In reply to this message
I don't have paypal now๐Ÿ˜”
A
14:23
Armin
I was thinking about doing a low offer on it. But decided not to because it was a bit too new for me.:)
YL
14:41
Yuri S. Leskovec
In reply to this message
Very RARE๐Ÿ”ฅ
14:41
In reply to this message
Can you list all your Grid laptop?๐Ÿ™
๐Ÿ‘
A
A
14:53
Armin
2x 1101
1137 (new ;)
Gridcase 4
Gridcase plus 2 and plus 3
Gridcase EXP
1520, 1530, 1535exp, 1550sx
Unused 1537e (us gouvernement tags)
(Some doubles in the 15xx series.)
Gridcase convertible pre release unit.

GRiD 140 (rebranded tandy 1400HD)
GRiD 286 (rebranded Toshiba T3100)

I think that's about all of them. ;)
Y
14:54
YL3AKC
1137 ??? or 1139 ?
14:55
1537e from Space shuttle?
A
14:55
Armin
Well I just reached an agreement on the 1137. (Not 1139)
So I put that in the list. ;)
Y
14:57
YL3AKC
OKay...
A
14:58
Armin
In reply to this message
I think mostly military. 1537e is a tempest machine with EL display.
14:59
All of them completely working ofc. ;)
Y
15:00
YL3AKC
153x + government labels remind me Space Shuttle, if I remember correctly.

https://grid.bs0dd.net/index.php?lang=eng&dir=NASA%2FPGSC-Flight-System-GRiD-Case-1530
A
15:04
Armin
They are very similar, but the space shuttle ones are modified 1530 I think.
1537e Is a 386sx instead of 386 processor.
And they have all the tempest shielding and stuff.

Both do have the EL display
YL
15:05
Yuri S. Leskovec
In reply to this message
Yes, it's different
15:08
In reply to this message
Can I ask you send me a photos 1137? - it's very RARE
15:09
Maybe we will make gif 3D picture. 5-6 photos around 360 degrees
A
15:10
Armin
Yes ofc. It will take a while to get here. But I will do a teardown and take lots of pictures. ;)
๐Ÿ‘
YL
15:10
In reply to this message
Sure, No problem. ;)
โค
YL
15:12
@leskovezzz have you collected any GRiDlite computers? I've mostly skipped them.
YL
15:13
Yuri S. Leskovec
I have one GRiDLite 1040
A
15:14
Armin
In reply to this message
How is it? Does it feel as professional as the others?
It's mostly plastic isn't?
YL
15:15
Yuri S. Leskovec
It's regular plastic, but looking very good, nice design
๐Ÿ‘
A
15:16
Best then GRiD 286 or GRiD 140๐Ÿ˜
A
15:21
Armin
In reply to this message
I actually really like the GRiD 286. The Toshiba T3100 is a very well made machine. High performance in a compact design. Well built.

(But I am a bit of an early Toshiba portable fan aswel)

But the 140 is a cheap rebrand. Feels crappy and cheap. The 1400HD was also a budget machine
YL
15:28
Yuri S. Leskovec
In reply to this message
I like gasplasma dispaly and Toshiba 286 quite a fast machibe and DOS compatible๐Ÿ‘
15:33
There was also one model with a larger display, like GRiD 1139
๐Ÿ‘
A
4 June 2024
A
17:43
Armin
Does anyone have the phone handset that clips on the side of the Compass? I'd love some good pics and measurements. Maybe I can make/print one.
Y
18:13
YL3AKC
In reply to this message
Print replica? That would be amazing!
A
18:21
Armin
Modelling and 3d printing is easy. But cleaning up and painting etc. Isn't my thing. But I can try. :)
TT
18:42
T Tron
I do, yes. If you bother me I will model one
18:43
It is a reasonably janky little thing
18:43
Probably best to pair with a reproduced handset enclosure unless you fancy yours hitting the ground regularly
A
18:49
Armin
If you want to, be my guest. ;)
But some pics of the handset and holder. With some rough measurements should be enough for a rough replica.
u
18:51
usernameak
In reply to this message
still, the EL display by Sharp in Compasses is mega-dope :)
18:52
In reply to this message
it's Sharp LJ320U21, right?
Y
18:54
YL3AKC
In reply to this message
I'll bother you until get 100 % correct internal schematics: RJ11 pinout, speaker DC resistance (32 Ohms?), mic type (electret or dynamic?)
๐Ÿ”ฅ
A
A
18:57
Armin
In reply to this message
Here's a list I compiled for gas plasma and EL panels in portables
1101 isn't on here unfortunately. Don't remember if I forgot to add it or if it didn't have a model printed on it
19:04
Just checked my pics. And my 1101 doesn't have a model number on the display.
TT
19:06
T Tron
Can you put it on the wiki
A
19:13
Armin
In reply to this message
That does not seem to match. 1101 display on the left and LJ320U21 on the right.
It might not have a normal part number. As it was a custom order by GRiD
u
19:14
usernameak
In reply to this message
heh so i was probably wrong about it
Y
19:16
YL3AKC
Maybe with mainboard REV.4 GRiD used different display?
19:16
I have datasheet for LJ320U21. Do I need to send datasheet here?
A
19:19
Armin
In reply to this message
It might be used in the later 1121 and 1129.
Both of my 1101 have that same panel.
Y
19:20
YL3AKC
Ahh. OK.
8 June 2024
Y
20:00
YL3AKC
Maybe this can help when messing with HDD. More info will come later.
17 June 2024
Y
19:53
YL3AKC
@leskovezzz What hard disk brand name and model inside 2101 HDD/FDD peripheral?
YL
22:39
Yuri S. Leskovec
In reply to this message
I think it's Seagate ST-412 10MB 5.25 inch MFM Hard Disk Drive
22:39
22:40
But I'll need to check it again
18 June 2024
u
01:14
usernameak
i like how GRiD's disk interface is actually "smart"-ish
01:17
IBM PCs of the day had direct MFM without hardware controller that handled low-level formatting and stuff - all the shit was done on the main CPU
01:17
... ATA was still a few years away, and SCSI wasn't common yet
A
01:25
Armin
Slightly related, the GRiD sever HDD (2701) had an MFM hdd hooked up over SASI. With a little sasi controller on the hdd
01:26
This is the controller in the 2701
01:27
Don't remember what HDD model was in there. Probably the same mfm disk as in the 2101
Y
07:34
YL3AKC
In reply to this message
OK. Really good. Link to github above have schematics for this HDD. More possibilities to do repairs if something goes wrong.
๐Ÿ‘
YL
07:38
In reply to this message
Well.. MFM disk need controller cars. Later dis manufacturers included controller on disk itself. At some point (not remember all historical details) there was connections between HDD and 8 bit data bus on PC. PC needed Additional BIOS code to handle HDD. This code usually was burned in BIOS. I remember it because I had Commodore PC20 III clone machine.
u
07:40
usernameak
In reply to this message
yeah, what i mean is that the controller boards in PCs were pretty basic
07:40
and a lot of stuff was still handled on the main CPU
Y
07:42
YL3AKC
In reply to this message
Actually 74HC373 buffer between PC data bus and HDD data lines. Also additional address select and control signals.
07:44
At least on many clones with Faraday FE2010A chipset.
Y
08:14
YL3AKC
Preparing for filming in vintage style...
08:15
Need to find Firewire cable and check old HP laptop for video capturing.
08:16
Also need to work on audio stuff. Prepare headset MIC, etc.
08:16
08:17
@Blue_Screen_0f_Death Should I need to make selfie with camera?...
08:19
Canon DM-MV200iE + 2 miniDV/DVCAM tapes + 2 almost dead batteries + charger.
20 June 2024
u
18:49
usernameak
https://deltacxx.insomnia247.nl/gridcompass/ will not be available for a while - i'm reconfiguring the web server
21 June 2024
A
14:26
Armin
๐Ÿ˜
๐Ÿ”ฅ
Y
YL
14:31
Hmm, weird grid os version?
Special version? Or corrupted os?
u
14:35
usernameak
In reply to this message
it just shows whatever CCOS~System~ file has in the version FS attribute
๐Ÿ‘
A
A
14:38
Armin
In reply to this message
Hmm. So how to check OS ver?
14:50
14:51
15:03
Apart from this program there doesn't seem to be anything in bubble.
Maybe that's a good thing ;)
15:08
In reply to this message
To get back to the previous question.
My 2101 has a Saegate ST-225 in it.
15:08
๐Ÿ‘
YL
Y
15:35
YL3AKC
In reply to this message
Need to preserve this software/CCOS for research.
15:38
In reply to this message
I hope Erik's github repo can help to repair this HDD if necessary.
A
15:40
Armin
In reply to this message
Definitely, I'll hook up the gotek and copy everything.
15:42
In reply to this message
Let's hope it just works.
I've had good luck with these seagate drives in the past. ๐Ÿคž
A
16:09
Armin
Interestingly the 2101 uses an of the shelf xebec 104527 MFM controller
Y
16:12
YL3AKC
Wow! Looks like now research project...
16:18
Can you dum EPROM for this card?
16:19
There is Z80 CPU.
A
16:35
Armin
In reply to this message
Will do later.
Just a quick repair for now to test the drive.
16:42
Good news: the 2101 works and seems to have 2 partitions full of compass software and documents.

Not so good news, I get some read errors so there might be some bad sectors :/
Y
17:34
YL3AKC
Hmm...
17:40
Is it possible to read bitstream from drive and sample it somehow...
17:42
page 20. pins 17 and 18
17:44
Page 25: recovery mode.
A
17:58
Armin
I definitely need a full disk sector image.
This disk seems full of interesting stuff.
Y
17:58
YL3AKC
I am thinking how to make it!
โค
A
A
17:59
Armin
Y
17:59
YL3AKC
Maybe RP2040 + Raspberry Pi
u
17:59
usernameak
In reply to this message
wait where did you find this
A
18:01
Armin
In reply to this message
2101 that seems to have been used by GRiD support at some point
18:01
That's just one of the folders with support files.
Y
18:03
YL3AKC
From ST-225 document
18:04
200 ns per pulse ana MFM data line= 5 MHz pulses.
18:04
One revolution of disk = 16,67 ms nominal
A
18:04
Armin
These are the main folders. Some don't open properly
Y
18:05
YL3AKC
83.350 bits per track ?
A
18:06
Armin
Maybe I should invest in a mfm emulator/ imager, and do things the proper way?
Y
18:06
YL3AKC
is this device already exist?
A
18:07
Armin
Someone here that has one that wants to loan it out.?
Y
18:07
YL3AKC
Price?
Y
18:07
YL3AKC
We are going too close to famous youtube bloggers... ๐Ÿ˜ƒ
๐Ÿ˜
A
A
18:08
Armin
I've seen these used all over the place.
Klyball uses one in his 2101 if I remember correctly
Y
18:10
YL3AKC
Assembled Board with BeagleBone Green or Black (BBG/BBB) $205.

Assembled Board without BeagleBone $150. I can't provide the BBB/BBG outside the USA. For use with my emulator there is no significant advantage of one over the other. The BBG wireless will not work.
18:12
Dam it! Too much information for one evening!
18:13
I am still at work. Got 3 beers and 69% RUM during work...
๐Ÿ˜
A
18:13
Waiting 2 more hours to get sleep.
18:13
Weekend and Monday busy...
A
18:13
Armin
In reply to this message
Yeah they are quite expensive. And I don't have a good use for one apart from imaging.
Y
18:14
YL3AKC
Beaglebone is interesting beast. Many projects use BB instead of RPi
18:15
If I understand correctly, than Falcon 9 fly on approx. 60 Beaglebone ICs.
A
18:22
Armin
In reply to this message
Hah that's cool
u
18:24
usernameak
In reply to this message
isn't that the thing T dumped his drive with?
A
18:30
Armin
In reply to this message
Could be, idk
18:32
OK, I've done some more digging and this 2101 was definitely owned by GRID, it has internal messages regarding the development of the 1537.
So definitely worth the effort to do a full sector dump
18:35
an example of some of the messages
Y
18:43
YL3AKC
In reply to this message
Wow! Interesting emails...
A
18:52
Armin
What part of the ccos development software was still missing?
Y
18:53
YL3AKC
C libraries.
18:53
IRC...
A
18:54
Armin
What would those look like?
There seems to be a lot of development software on here as well
Y
18:55
YL3AKC
File extension: ~Libary or LIB
19:01
Can you show what you have? Like Directory listing.
A
19:05
Armin
It has a folder "libs" but I get read errors when trying to get a listing
Y
19:12
YL3AKC
Ohh!...
19:12
Almost there...
A
19:56
Armin
19:56
19:56
19:56
19:56
Here are some lib files, there might be more
A
20:16
Armin
Another idea for sector imaging.
Use a mfm controller in my ibm pc that supports the st225.
Then boot something like ELKS linux. And make a disk image.

Tell me if this is a bad idea ;)
20:27
I think I'll put the HDD aside for now until I have a better plan to image it.
It doesn't sound that healthy and I would hate to kill it before getting some of the file off of it.
Y
20:54
YL3AKC
In reply to this message
Good idea. You can also use MS DOS/FREEDOS and Norton Disk editor to read sectors.
20:55
But MFM reader is better because you can put drive into recovery mode.
u
21:46
usernameak
In reply to this message
doesn't 2101 have somewhat nonstandard low-level formatting?
๐Ÿค”
A
Y
21:47
YL3AKC
IDK, could be anything. Improvised MFM reader/recorder can be useful.
21:47
I'll check original schematics and try to understand how it's working and cand it be adapted for RPi.
21:48
We need ~ 5 MBit/sec recorder.
21:48
Theoretically it can be done with... Logic analyser, but... As always devil is in details.
A
21:51
Armin
I could try the PC dos or Linux approach on another noninportant mfm drive
21:55
Damn, the 1137 is a pain to take apart.
Much thicker shielding than the 1537.
This is a pc case inside the case.
Compass-ception
Y
21:55
YL3AKC
In reply to this message
๐Ÿ˜
A
21:59
Armin
Hmm looks like the same rom daughterboard as in the 1107
Y
22:03
YL3AKC
Are there keyboard connectors on lover part of board?
22:04
Looks like guys simply made serious shielding to prevent RF leakage. This is requirement for government agencies.
A
22:06
Armin
22:09
12 + 6 + diff drive = 19 pins for MCU to read MFM disk.
22:09
Doable on RPi Pi Pico.
22:10
Then USB 1.1 (12 MBit/s) or SPI (Up to 133 MBit/s) data to Raspberry Pi
A
22:11
Armin
Eli5 why the 2nd pi?
Y
22:12
YL3AKC
RPi Pi Pico is microcontroller for high speed data capture/control.

RPi Pi (3/4) for data storage.
๐Ÿ‘
A
22:12
RPi Pi (3/4) GPIO are too slow for direct capturing.
A
22:20
Armin
Bubbles are in dip sockets instead of zif sockets.

Also why is there 1 pin unplugged?
22:20
Is that a factory mistake? Or deliberately done?
u
22:21
usernameak
In reply to this message
they can be fast, but only if you do everything in kernel mode
Y
22:21
YL3AKC
Need to check with datasheet.
22:21
In reply to this message
Need 10 megasmples/second. More easy to add fast microcontroller.
A
22:22
Armin
u
22:22
usernameak
yeah, linux kernel programming is a freaking circlejerk
๐Ÿ˜
A
Y
22:23
YL3AKC
In reply to this message
@Megabozyakorovka GPiB code + used library is at least 10 times slower than MFM data sream.
u
22:23
usernameak
In reply to this message
yeah, but it was in usermode
Y
22:24
YL3AKC
In reply to this message
Too much time and effort to get it done on RPi only.
22:25
MCU read stream sync with index, do manchester decode and sent data to RPi for writing into file/processing/compare etc.
u
22:25
usernameak
btw APPARENTLY there's a Linux kernel module for GPIB on top of GPIO
22:25
Y
22:25
YL3AKC
Drive/head select, cilinder step can be done on PRi,
22:26
but SUnc index with MFM data sream need to be done on MCU
u
22:26
usernameak
In reply to this message
fun fact: AFAIK the original IBM PC handled it on the main CPU
Y
22:26
YL3AKC
In reply to this message
SWAP A is disconnected?
u
22:26
usernameak
In reply to this message
though MFM decoding was offloaded to hardware
Y
22:26
YL3AKC
In reply to this message
No, not this HDD!
u
22:26
usernameak
but the main CPU still handled the drive control
22:27
In reply to this message
well, 2101 offloads everything to an MCU :)
22:27
and gives block I/O interface outside
22:27
with LBA addressing
Y
22:28
YL3AKC
In reply to this message
MCU + hard wired logic.
A
22:28
Armin
In reply to this message
Yes, seems like it was already like this. Strange.
Y
22:30
YL3AKC
In reply to this message
Hah! Need to read theory about bubbles again...
A
22:36
Armin
Strange, this doesn't look like a error during insertion. Almost looks deliberate. But why leave it hanging then?
Y
22:40
YL3AKC
"One at a time!" (C)
22:41
Need a lot of will to jump between 4 projects...
22:42
HDD, Bubble, General, HAM stuff.
22:42
Should I take a beer?
A
22:43
Armin
In reply to this message
Probably yes.

Sorry I'll keep the 1137 stuff for tomorrow. ;)
Y
22:43
YL3AKC
Just go! Want to see main board chips
22:44
At the same time diving into MFM magic...
22:45
A zero bit is encoded as 10 if preceded by a zero bit in the input stream, and 00 if preceded by a one; a one bit is always encoded as 01.
A
22:45
Armin
In reply to this message
Alright ;)
Are you ready for a surprise.
Y
22:46
YL3AKC
Hmm...
22:46
Shoul I need to take beer before surprise?
22:46
Or smoke...
A
22:46
Armin
1107 motherboard !!
Y
22:47
YL3AKC
Ohh shit!
22:48
Need to check ASIC number between 1107 and 1137...
๐Ÿ‘
A
22:48
All ICs are socketed?
A
22:48
Armin
Yes, this is definitely a different rev motherboard. But it clearly says 1107 logic
22:49
In reply to this message
Lol. No
The only one socketed is the 8086
Y
22:51
YL3AKC
ASIC:
100053-00 for 1107
300415-00 for 1137
300415-00 for 1139
A
22:52
Armin
Interesting. And 1121 or 1129?
Y
22:54
YL3AKC
30063-00 for 1121
22:54
ASIC difference are because different displays.
22:54
And because extra ROM
22:55
30063-00 for 1101 MB rev.4
22:55
In reply to this message
Wrong!
A
22:56
Armin
So, 1107 and 1137 use same mb with different asic
Y
22:56
YL3AKC
Maybe yes.
22:56
Both have 256kb RAM ?
A
22:56
Armin
System roms are on bottom of rom board
22:57
1137 is 512KB.
16x 256 Kb
Y
22:57
YL3AKC
Sounds like GRiD have good marketing people and know hot to sell more with ledd investment into development and manufacturering...
22:58
In reply to this message
Hmm... Neet to count RAM on 1107
22:58
In reply to this message
It is like 1139 but in RF shielding for government?
22:59
1131 have 256kB ?
A
22:59
Armin
In reply to this message
Iirc yes
23:00
In reply to this message
Yes. I think so. But 1107 is also more like a compass II because of the roms.
Y
23:00
YL3AKC
Hmm...
A
23:00
Armin
So 1107 is more like a tempest version of 112x
Y
23:00
YL3AKC
Could be...
23:01
Definitely need all ROM dumps from 1137
A
23:01
Armin
In reply to this message
Will do captain
Y
23:01
YL3AKC
I'll compare them with 112x and 113x
23:02
And I need time, lot of time!
23:02
Should I need to retire from work and do only my hobbies?
A
23:03
Armin
Haha don't worry. Enough time.
I'm just excited with my new 1137
Y
23:12
YL3AKC
CCPROM difference for 1101.rev4 and 1109 are really small...
23:12
What if 1107 is similar to 1109 ?
23:13
Like 1137 similar to 1139 ?
A
23:14
Armin
In reply to this message
But what about the roms on the 1107
Y
23:14
YL3AKC
I don't have 1107 CCPROM dump.
23:16
11x7 keyboard controllers looks different from all other GRiDs.

All other GRiDs have the same keyboard controller part number.
A
23:16
Armin
Yeah should I dump it. ;)
Y
23:17
YL3AKC
Maybe...
23:18
I still not finished with keyboard controller. There is one long routine who manipulates output keys buffer many times, set/clear 5 flag bits. Looks like related to keyboard delay/repeat rate and something more.
23:18
Control NMI pin.
A
23:21
Armin
Well, now that I have it apart.
I rather dump everything now and then keep it assembled for a while. ;)
Y
23:22
YL3AKC
Be carefull and not damage anything!
23:22
And make a lot of Hi res photos for research and reversing.
23:22
Including PSU and modem.
A
23:25
Armin
In reply to this message
Don't worry these are pretty high quality pcbs. The pads don't damage that easily
23:25
In reply to this message
No modem on 1137 (and 1107)
Y
23:26
YL3AKC
Huh!
23:28
MFM drivers required the drive vendor to design their own clock recovery circuitry, a system known as the data separator. Data separator design was an art form of its own.
22 June 2024
A
00:25
Armin
Ready to dump. ;)
A
12:50
Armin
Here are all the ROMs, Cheers
13:04
And for those that want to have a look at the government software from the 1137 bubble mem
Y
15:14
YL3AKC
Awsome!
15:15
Need to start research!
๐Ÿ‘
A
A
15:27
Armin
For the 2101 drive. I think I will just build one of those emulators. BOM is about โ‚ฌ100
I'll probably use it again sometime.
Y
15:27
YL3AKC
Should we need dive deep into 2101 controller stuff?
15:28
ROM dumps, IC list and datasheets?
15:28
In reply to this message
How about beaglebone? Can you get it?
A
15:28
Armin
Idk.
I am curious how T Tron dumped his.
15:29
In reply to this message
Yes that's included in the bom
Y
15:29
YL3AKC
Looks like it is possible to make RPi project for MFM reader.
A
15:29
Armin
In reply to this message
But Is it worth the time and effort?
Y
15:29
YL3AKC
I am diving deep into duper schematics and into ST-225 OEM maker's manual.
15:30
In reply to this message
IDK. Maybe.
15:31
And... I like to tinker with MCUs and RPis... When overcome laziness.
15:31
But...
15:32
Also need to rewrite Arduino code for bubble formtatter in plain linux C and then translate into 8086 ASM. I want to make some kind of boot image for FDD for repair/reformating bubble memory.
15:33
That should be more easy than thinker with arduino and get Intel 7220 dev board for bubbles, then resolder bubbles etc.
A
15:33
Armin
That does sound very useful.
15:34
Btw, all bubble modules I've seen in compass's are socketed
Y
15:34
YL3AKC
Or even more! Make custom CCPROM for whole system diagnostics.