22 June 2024
Y
15:34
YL3AKC
In reply to this message
Including 1101 ?
A
15:35
Armin
In reply to this message
Yes, ZIF sockets. With a retaining screw
Y
15:35
YL3AKC
In reply to this message
RAM, data bus, GPiB, Display serial, RTC, EAPROM, bubble.
A
15:36
Armin
In reply to this message
That would be awesome. With a proper ram test etc
Y
15:36
YL3AKC
In reply to this message
Could be reason for that. Easy repair/exchange faulty bubbles or, maybe, bubbles don't like soldering iron's heat.
A
15:56
Armin
Anyone have more info on the data structure used by the 2101?
Y
15:58
YL3AKC
You mean HDD data structures?
A
15:58
Armin
In reply to this message
Yep
Y
15:59
YL3AKC
I thin ST-225 HDD specifications is everything you need to know...
16:01
Cylinders: 0-614 (615 total)
Heads: 4
Sectors per track: 17
16:02
Interleaving? Well need to guess after MFM dump.
u
16:03
usernameak
In reply to this message
we already figured it out
Y
16:04
YL3AKC
In reply to this message
And result is... ?
u
16:04
usernameak
let me pull up old stuff and i'll tell
👍
A
16:05
In reply to this message
btw 306 cylinders
Y
16:05
YL3AKC
In reply to this message
... if 10 MB drive.
u
16:06
usernameak
In reply to this message
yep.
A
16:06
Armin
Yes, seagate st225 is 20mb
Y
16:06
YL3AKC
In reply to this message
... for ST-213
u
16:07
usernameak
In reply to this message
wait, we figured out a different thing back then
for some reason dump we tried to pull out had tracks offset by 3 sectors backwards
16:07
Y
16:08
YL3AKC
This manual may be used to install and configure Seagate's ST213. The ST213 is a
half-height, single-disc. 10 Megabyte (formatted) Winchester. It employ s the same
efficient helical-band rotary-actuator as the ST-225 and also supports the industry-
standard ST-412 interface.
u
16:09
usernameak
so no idea about interleave honestly
but you can just dump with no interleave and then figure it out later ;)
👍
A
16:10
(shit, how many obscure low-level drive formats have I had to reverse-engineer so far? though it was mostly unmanaged NAND flash rather than HDDs - which is WAYS more complicated)
A
16:12
Armin
Sidenote; I wonder what the max size HDD supported would be in the 2101.
And if it would support a second drive? The Xebec controller used definitely allows 2 drives
u
16:12
usernameak
In reply to this message
technically the GRiD's GPIB interface supports up to 2TB
Y
16:12
YL3AKC
In reply to this message
Well. Need to get dump for 8051 MCU internal ROM code.
u
16:12
usernameak
but filesystem is limited to 32MB due to 16-bit fields for block addresses in the FS
🤔
A
A
16:14
Armin
In reply to this message
Will do
u
16:14
usernameak
so technically you can get GRiD to work with... 128MB drives (with 4x 32MB partitions)? but that would require a custom controller/drive emulator
16:14
as for 2101... i guess it can handle whatever ST-225 interface supports
Y
16:15
YL3AKC
In reply to this message
What about 4 partitions with 32 MB size each?
u
16:15
usernameak
In reply to this message
that's what i'm saying
16:15
probably even more with a custom filesystem driver
Y
16:15
YL3AKC
😱 My bad. Didn't read carefully.
u
16:17
usernameak
In reply to this message
> And if it would support a second drive?
that's actually an interesting question
the GPIB interface has a drive select parameter in commands, so it might very well do, if the 2101 firmware allows that
A
16:19
Armin
maybe I should give it a try.
I should have some drives laying around
u
16:22
usernameak
oh wait btw
you can dump drive configuration, including interleave factor, over GPIB
16:22
i can technically try writing a little app to show that stuff
Y
16:24
YL3AKC
By that time... Doing another thing in parallel with ST-225 HDD research...
16:24
16:25
Comparing 1101 Keyboard controller disasm and 1137 keyboard controller disasm...
16:27
Looks like on 1137 KBC they fixed some bugs from 1101
16:28
BTW all Compasses except 1107 and 1137 have the same part number on KBC.

1107 and 1137 have different part number on KBC .
16:42
Nah! Need to go to work! 😞
A
18:15
Armin
here you go
18:17
the rom is labeled "20MB2101" so that kind of answers what size it supports, I guess they had seperate roms for diffrent sizes
Y
18:28
YL3AKC
This is... Z80? Should be easy to reverse.
18:29
I am interested how they made "data separator" hardware on hdd controller.
A
18:35
Armin
The board has an 8088 on it
Y
18:38
YL3AKC
Wow! Z80 was on hdd card? I think I saw it yesterday.
A
18:39
Armin
Yes, Z80 on the Xebec HDD controller and 8088 on the GRiD interface / FDD controller
Y
18:42
YL3AKC
Lot of reversing...
18:50
Sounds like reversing list is growing:
1101 rev3 + modem + PSU
1101 rev4
1137
2101
2102
1129
1121
1139
2107
1701 (?) GRiD Central
1702 (?) HDD for GRiD central.
A
18:52
Armin
I also have a 2107 (tempest version of the 2102)
If you want some more ;)
Y
19:03
YL3AKC
2107
1701 (?) GRiD Central
1702 (?) HDD for GRiD central.
A
19:06
Armin
Yess, correct.
I don't have any GRiD Central stuff tho
19:18
Small correction.
That's supposed to be GRiDserver.

GRiD Central is the central server ran by GRiD themselves on an IBM mainframe
Y
19:18
YL3AKC
I'll need to poke Unix hater to start reversing Central.
19:19
*server.
A
19:19
Armin
In reply to this message
Klyball was trying to get his working last time I talked to him.
Y
19:19
YL3AKC
And I need to finish compass emulator to reverse network protocol.
19:20
In reply to this message
T Tron have server.
A
19:21
Armin
How cool would it be to have one hooked up to the Internet for everyone to dial into.
19:21
Or even an emulation on a server
Y
19:23
YL3AKC
Sounds like we need to run one in "Serial port" guys farm. They are restoring 90-ties Internet and run ISP stuff from 90-ties
19:24
In reply to this message
And host 50kB storage for every patreon.
A
19:24
Armin
One central place for all grid software and documentation easily accessible from real compass's
19:25
That would be awesome
Y
19:25
YL3AKC
Like in 80-ties.
19:25
AHH, then need to reverse GRiDcase machines.
23 June 2024
A
02:00
Armin
Quick note. The 1137 keyboard seems different to the 1101 keyboard.
1101 keyboard is mechanical with springs and metal actuators.
And the 1137 has a rubber domes.
u
02:01
usernameak
btw, screen is 512x256, right?
👍
A
02:01
'cause when i was trying to emulate 113x that was the only resolution that didn't crop the bottom bar
A
02:02
Armin
You can clearly feel and hear the difference.
Is this to quiet the tempest version or is this a cost reduced keyboard for all of the 113x line?
02:02
In reply to this message
I think so, have to double check
u
02:03
usernameak
110x/112x were 320x240
02:03
In reply to this message
btw fun fact: 113x definitely have some sort of resolution switching somewhere
the bootlogo is shown in 320x240 mode
but i never figured out how it works (and thus bootlogo is glitched in my emulator)
A
02:04
Armin
In reply to this message
Huh, how about old apps for 1101 etc.
u
02:05
usernameak
In reply to this message
they generally properly scale to 512x256
A
02:09
Armin
Interesting, how about the no boot device screen? That seems to run in low res as well on the 1139
u
02:09
usernameak
In reply to this message
yep it's in lowres mode
02:09
i never actually found the register that switches it
A
02:10
Armin
How about the source code for kermit for the compass
02:10
It can switch resolution on command
02:10
Iirc
u
02:10
usernameak
In reply to this message
but machine boots up in lowres
02:10
and then switches to highres when it enters the GUI
👍
A
A
02:13
Armin
Ms dos is the same. It starts in lowres and then detects that it's a 113x and switches.
02:22
Could the kermit source code help understand the resolution switching or am I understanding that wrong?
u
02:23
usernameak
In reply to this message
lemme look
02:23
i think i have a copy
u
02:25
usernameak
not really - it just configures its own internal flags
🤔
A
A
02:34
Armin
Well maybe if I manage to backup that 2101 we'll find something.
There's definitely a development environment setup there
02:35
A shame I can't just get good directory listings
u
02:36
usernameak
btw you know we have a Windows tool to explore (and edit!) GRiD's filesystem?
02:36
though i'm not sure if it works with bubble images (they have 256 bytes per logical sector, unlike other media)
02:36
it definitely does work with HDD and floppy images
A
02:37
Armin
I know, but I need to be able to image the hdd first.
02:37
Don't have the hardware
u
02:38
usernameak
i wonder if we can copy it part by part to a stack of floppies =)
02:38
(that would be too mad though)
A
02:39
Armin
I tried but from within grid os it hangs due to read errors.
u
02:39
usernameak
In reply to this message
oh i see
A
02:39
Armin
Probably some bad sectors
02:40
With the floppy emulator it wouldn't be that much work
02:41
But at this point I think a sector dump of the complete hdd would be best to recover as much as possible
02:42
Idea, you do your magic and write a sector dumping tool for ccos to dump everything over serial ;)
u
02:43
usernameak
In reply to this message
it will still trip on badblocks
02:43
because 2101's internal controller handles that
A
02:43
Armin
Hmm good point.
u
02:44
usernameak
also i'm not really sure how to access raw block devices from under CCOS
🤔
A
02:44
it definitely allows doing that, i just don't know what device path i need to use
A
02:45
Armin
Well I'll have to invest in one of those mfm emulator/ imagers then ;)
u
02:46
usernameak
In reply to this message
because... the ones you see in the Executive's file picker are FS mountpoints
A
02:47
Armin
Well I'm not even sure it's bad sectors, maybe the FS is corrupt?
02:48
Is there a list of ccos error codes?
u
02:48
usernameak
In reply to this message
i'm pretty sure i had it
02:49
2 2: Local or server memory (RAM) is full
11 11: Invalid memory block
12 12: Version incompatibility
27 27: Make sure that password is correct or required
29 29: Checksum error
30 30: File locked - use GRiDManager
31 31: Bad pointer
32 32: File already exists
33 33: File is not available
34 34: Application is not available
35 35: Request not supported
36 36: 8087 Emulator file does not exist
37 37: Incorrect Current Serial in GRiDManager Options
38 38: File access denied
39 39: Incorrect Current Modem in GRiDManager Options
40 40: File or device can't be shared
41 41: Insufficient storage space for this file
49 49: Cannot run ROM program from non-ROM device
102 102: Storage device error - invalid sector
103 103: Storage device error - CRC error
104 104: Storage device error - record not found
105 105: Storage device error - CRC error in ID field
106 106: Device write-protected
107 107: Device not ready
108 108: Unknown disk error
109 109: Storage device error - ECC error in data
110 110: Storage device error - ECC error in ID field
111 111: Storage device error - no index pulse
112 112: Storage device error - seek not complete
113 113: Storage device error - write fault
114 114: Storage device error - track zero not found
115 115: Storage device error - no address mark found
116 116: Storage device error - seek error
117 117: Storage device error - format error
121 121: New disk cartridge may have been inserted
128 128: Diskette drive not ready
200 200: Invalid file ID on local or server device
201 201: File data out of sequence
205 205: File not open
221 221: Bad connection
222 222: File already open
225 225: Bad parameter
227 227: Device not active
228 228: Incorrect switch setting
230 230: Device already activated
231 231: Device not responding
232 232: Invalid directory format
233 233: Invalid bit map format
234 234: Subject does not exist
235 235: Wrong diskette in drive
236 236: Diskette in wrong drive
237 237: Volume not available
238 238: Too many files open
252 252: Semaphore does not exist
253 253: Request timed out - try again
300 300: Application damaged - get new copy
301 301: Application damaged - get new copy
302 302: Application damaged - get new copy
303 303: Application damaged - get new copy
304 304: Application damaged - get new copy
400 400: Modem did not answer
401 401: Modem timed out
402 402: Modem lost carrier
406 406: Invalid phone number - reenter number
409 409: No dial tone detected
410 410: Phone line is busy
414 414: Voice detected
450 450: GPIB bus error - check devices and cables
451 451: GPIB timeout error - check devices and cables
452 452: GPIB not responding - check devices and cables
701 701: Server not responding
702 702: Phone line was dropped due to no activity
704 704: Data link send failure - too many retries
706 706: Data link disconnected by server
709 709: Physical connection was lost
733 733: Too many stations on link
801 801: User is not signed on
802 802: User is already signed on
803 803: Interprocess message too long
804 804: Too many interprocess connections
806 806: Resource not found on server
810 810: Sign-on request cancelled
813 813: Sign-off incomplete - sign off again later
902 902: Too many files attached on server
905 905: Invalid authority for file access
951 951: File on server in use - cannot sign off
1003 1003: Sign-on password invalid - reenter
1004 1004: Internal user authorization error
1005 1005: User is unknown to the server
1008 1008: User access is locked
1025 1025: User has exceeded allocated file space
1032 1032: User authorization file must be updated
02:50
In reply to this message
02:51
as well as this
A
02:56
Armin
Well I'm getting errors 110 and something in the 2xx range can't remember
u
02:56
usernameak
In reply to this message
definitely coming from the drive side
A
02:57
Armin
Yeah seems likely with a 40 year old drive that might have been shipped pretty rough
02:58
It also makes some strange seeking noises sometimes
u
02:58
usernameak
In reply to this message
(fun fact: the 2101 sends the exact same error code set over GPIB as what the OS uses everywhere)
👍
A
A
03:04
Armin
For now I'll have to try and fix this.
The keyboard membrane on the 1137 has some bad traces.
That'll be a pain to repair. Pfff
03:05
Can't solder to this crap without melting the plastic
u
03:05
usernameak
In reply to this message
membranes suck :)
A
03:07
Armin
Yes they do, this was after cleaning. The rubber domes left a lot of residue.
Definitely prefer the older mechanical 1101 keyboard, might not have happened with that one.
u
03:07
usernameak
mechs are at least more fixable...
A
03:09
Armin
The 1101 keyboard also has a membrane. But I feel that the rubber dome residue definitely contributed to the faults in this one
03:11
Maybe I'll borrow the membrane from a gridcase for now. I think it might be the same
03:21
Quick look online for custom membrane manufacturing doesn't look promising, way too expensive. At that point might as well make a cherry compatible pcb with real switches
Y
07:27
YL3AKC
In reply to this message
Conductive paint for repairing car's rear window heater.
Y
07:43
YL3AKC
Or conductive silver paint.
07:44
What about flexible PCB making in china? PCBway/JLCPCB ?
Y
08:04
YL3AKC
In reply to this message
I remember I saw somewhere conductive silver paint marker pen.
A
11:46
Armin
Yeah, after some searching online conductive ink pen seems like my best bet
11:47
Problem is that the membrane is glued together, so I don't know if I'll be able to get to the traces between the layers
Y
12:23
YL3AKC
What about exact prices for this size flexible PCB?
12:24
I am in OB/VAN 100 from Vilnius Lithuania now.
12:24
12:24
A
12:30
Armin
In reply to this message
Don't know if flexible pcb would work as well as a plastic membrane. I'll do some research.
A
12:46
Armin
Rough estimate from pcbway is over 600usd for 5 sets. So flex pcb that size is also too expensive
12:48
I'll try my best to repair this one, and if not possible I'll design a pcb replacement for mechanical switches
Y
13:07
YL3AKC
In reply to this message
Huh! Expensive!
A
14:21
Armin
In case anyone was wondering, the gridcase keyboard is almost completely the same, except for the membrane (and keycap prints)
There goes that idea
14:23
(The matrix is different because the 2 code keys map the same on the compass, and have different functionality on the gridcase)
14:23
Y
17:36
YL3AKC
In reply to this message
What kind of glue? Maybe light chemicals can dissolve glue?
17:37
In reply to this message
Looks identical to me.
17:38
I think, you need that Arduino DIY keyboard test, what we didn't finished last time...
A
17:39
Armin
In reply to this message
No idea I tried peeling the layers back but the traces broke more from the peeling.
I can try soaking on ipa to dissolve.
Y
17:41
YL3AKC
Ipa can be too strong and melt plastic. Be careful.
A
17:42
Armin
In reply to this message
Now that I have the matrix out, I can just write down the connections.
It's easy to see irl
Y
17:43
YL3AKC
You can try if you want want and have time for it.
17:43
On pic it doesn't look that easy.
Y
17:44
YL3AKC
Y
YL3AKC 23.06.2024 17:00:08
Darbā!
👍
A
Y
17:44
YL3AKC
Working...
A
17:44
Armin
In reply to this message
Irl it's easy to see the layers ;)
Y
17:45
YL3AKC
Take paper and pencil and... Patience
👍
A
17:46
Or try on eagle schematics from previous research.
u
17:46
usernameak
In reply to this message
you're working in a broadcast crew?
17:46
Y
17:48
YL3AKC
In reply to this message
Yes. Today and tomorrow morning is national beer drinking holiday. Whole country goes to nature cook meat and drink beer (summer solstice).
17:48
But I am in another country and broadcasting stupid basketball game.
17:49
And tomorrow stupid theater broadcasting.
17:50
No beer, no meat and no computer with GRiD ROM dumps for reversing.
17:50
And my mobile roaming MBs are over by now.
A
17:53
Armin
In reply to this message
Jealous, we need a 2 day holiday for beer.
17:54
In reply to this message
First old-school on paper. ;)
Y
17:55
YL3AKC
In reply to this message
Paper and pencil are the best!
24 June 2024
A
20:18
Armin
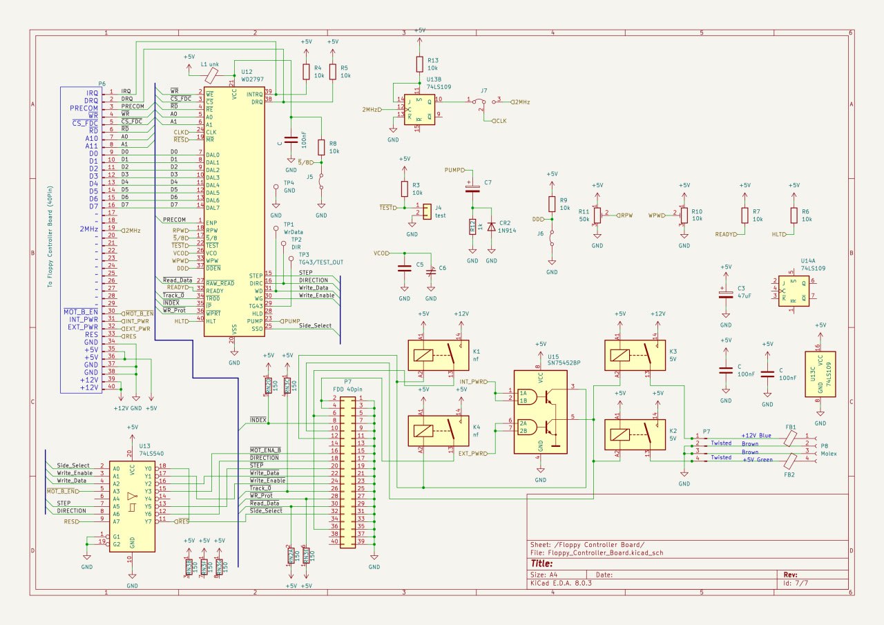
Another strange one. The gotek won't work in the 2101, exact same setup as with the 2102.
Strange, maybe the problem is with the 2101 controller. 1nd not with the HDD.
I guess I'll have to test with real floppy disks to be sure. Hmm
A
20:45
Armin
Same issue with real disks, errors when reading
20:50
So there's definitely an issue with the controller board
u
20:51
usernameak
fun fact btw
20:51
2102 corrupts floppies when writing, if you wrote the data they had before with a high-density drive with double-step (despite being totally able to read them)
A
21:00
Armin
Interesting, but in this case it's definitely a controller board issue.
Don't really know where to start on that to be honest.
Btw. It formats and writes fine to disks. It just has errors reading
21:03
If I had to do a random guess. It would be to check the Sram?
A
22:53
Armin
Any tips/ ideas on how to diagnose the 2101? ;)
23:57
Maybe I'll ask Klyball about his 2101, and also get a status on the GRiD sever
25 June 2024
TT
00:16
T Tron
What do you guys wanna know about the server
A
00:19
Armin
In reply to this message
I hooked him up with a 1701 server HDD because he was restoring his. ;)
Just wanted to see how things got along
00:20
T Tron how did you image your 2101?
Mfm emulator?
00:26
T, I don't know if you've been following along but I just got a 2101 that has a 20mb drive filled with internal Grid documents and a development environment.
The drive isn't in the best shape and needs to be archived ASAP. ;)
TT
00:32
T Tron
MFMU
00:32
Do you have an MFMU ?
00:32
Please please restore and share
👍
A
00:32
Anyway the server works!
🔥
A
A
00:34
Armin
In reply to this message
A what now??
00:34
I was looking at building one of these.
https://www.pdp8online.com/mfm/mfm.shtml
00:36
In reply to this message
Awesome, when can we dial in?
TT
00:49
T Tron
After toorcamp
00:50
It’s coming with
00:50
In reply to this message
Yeah my friend wohali sells them
00:50
Same gizmo, but she cleaned up the design
00:50
MFMu is shorthand for these
A
00:54
Armin
Ohh nice, looks good. But a bit out of my pricerange.
Looking at building one myself.
00:56
In reply to this message
Nice, are you planning on keeping it online/on-line?
00:58
It would be very cool if someone hosted a permanent server for compasses to dial into and share files etc.
00:59
Wouldn't need a working 2101 or 2102 to get programs onto a compass then
TT
01:04
T Tron
In reply to this message
Yes that was always the plan
01:04
In reply to this message
Where is the disk?
01:04
Don’t wanna wait to image. Maybe I can hook you up
01:05
The BoM is pricey she isn’t making a ton of money
A
01:05
Armin
In reply to this message
With me in Belgium. ;)
TT
01:05
T Tron
In reply to this message
This was always the plan. Bonus points if you sniff between the grid and serial modem to RE the protocol
👏
A
01:05
In reply to this message
Well shit.
😐
A
01:06
I have good wiki.UNIX-HATERS.org coverage across CONUS
01:06
But that’s a bit far
A
01:07
Armin
In reply to this message
Ohh I understand, I've been selling some of my own projects, not very profitable. ;)
TT
01:07
T Tron
Fancy a trip to Cambridge lol? I’ll be there in August and could put everything in my bag
A
01:11
Armin
In reply to this message
Fancy, yes.
But I'm afraid I can't make that work. :/
Y
10:01
YL3AKC
OK, kinda back to normal life...
10:01
What is going on her?
10:01
2101 FDD not working?
10:02
@leskovezzz have the same problem. He has 2101 with working HDD and failed FDD.
👍
YL
10:02
@ConventionalMemories Have the same problem
10:02
Strange, huh? Two 2101 with the same problem.
10:04
I assume that it's some kind of "common problem" on main board for 2101. Probably the same low level integration IC or wire/connection problem on main PCB.
10:04
Definitely not an RAM/ROM problem.
10:05
Time to download @ConventionalMemories files, sord and add to my archive...
10:06
Because any moment (from Friday?) I'll be busy for few months with one serious project (prus vacation 2 weeks in August), I'll not get chance to dive deep into 2101 details.
10:07
Let's not waste time. Going into IC marking now to understand main PCB basics.
👍
A
u
10:09
usernameak
In reply to this message
whoa, this thing has an entire 8088 in it
Y
10:10
YL3AKC
In reply to this message
Yes, @ConventionalMemories Already mentioned that!
10:11
It reminds me... Commodore64 disk drive. You know what i mean! No, you don't? Ask me and I explain what I mean! Or... Just watch 8-bit guy video about commodore FDDs...
10:11
😉
10:17
Dafaq is this?
10:17
Even this can be tried...
Y
10:59
YL3AKC
What if I open 2101 main PCB ROM dump in IDA disassembler?
10:59
10:59
11:00
Y
11:16
YL3AKC
@usernameak can you make any sense of this strings in ROM dump?
<       wI
10MB Winchester TM502 300205-05U
GRiD FORMAT TM 55-2 300205-05Y
DIRG HF SSAPLIAF1TST2TST3TST4TST00 E10 E20 E30 E40 E0TONKHCE
FGIu
11:17
I assume this ROM originally was 10 MB, but on 1987. GRiD guys made quick binary patch and converted ROM for 20 MB support. Maybe...
👍
A
11:22
@ConventionalMemories Can you tell IC markings (Names) for Intel chip and (probably) RAM chip? Photo is a little bit blurry.
11:23
@ConventionalMemories About diagnostics.
1 st step: check 2 MHz oscillator frequency on WDC chip pin 24
👍
A
A
11:23
Armin
In reply to this message
My first thought as well. ;)
11:25
RAM is an Intel D2186 Sram
11:27
Are the pictures in the zip not better resolution?
Y
11:27
YL3AKC
In reply to this message
I am looking in ZIP's pictures.
11:28
Can't see details for RAM and for Intel chip below RAM.
11:29
40 pin DIP from Intel.
A
11:29
Armin
That's the GPIB driver. Let me check partnr
Y
11:30
YL3AKC
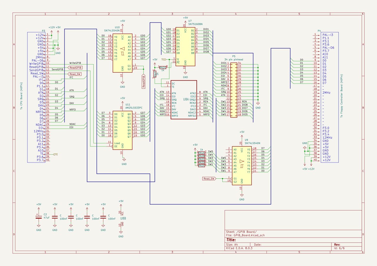
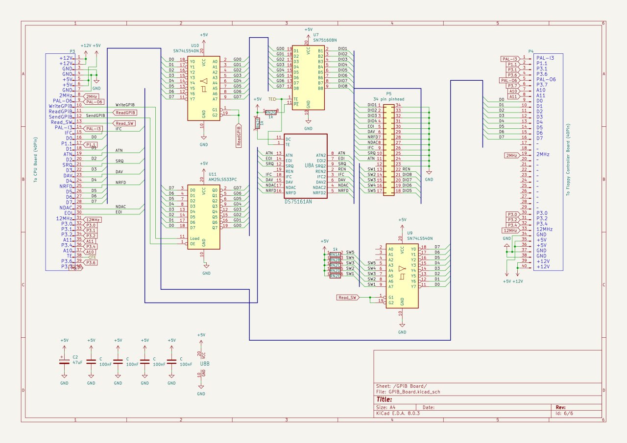
Intel GPiB controller? Intel made one? I assume it is 8255 PPI
A
11:30
Armin
Intel P8291A
Y
11:31
YL3AKC
Interesting...
11:36
That piece of... Looks even more complicated than TMS9914A...
Y
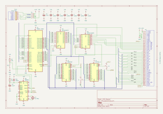
12:00
YL3AKC
In reply to this message
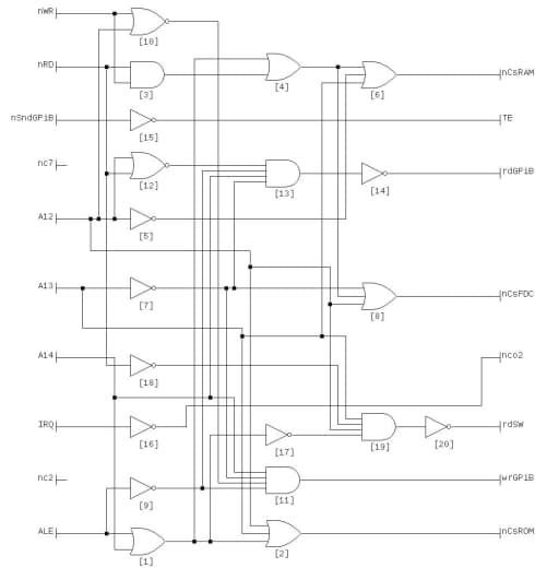
J5 jumper is for entering test/calibration mode.
TP3 is test/calibration output for this schematic:

https://t.me/gridcompasschat/8308
u
12:01
usernameak
In reply to this message
10MB Winchester TM502 300205-05U that's the identification line sent to Compass
Y
12:01
YL3AKC
In reply to this message
What about GRiD Format TM line?
u
12:02
usernameak
dunno actually
12:02
but same length...
Y
12:02
YL3AKC
And there should be also FDD identification string.
u
12:03
usernameak
In reply to this message
for portable floppy it was 48 TPI DS DD FLOPPY 30237-00
12:03
In reply to this message
btw around that string there should be disk geometry and stuff like that
12:04
can i look at the dump?
12:04
In reply to this message
for bubble memory i don't remember what it is - it is hardcoded in CCPROM :)
Y
12:04
YL3AKC
In reply to this message
RAW BIN on partial disassembly from IDA?
u
12:04
usernameak
raw
12:05
On Z80 card from XEBEC there is no strings. Just pure Z80 code.
12:06
But Z80 card controls HDD
u
12:06
usernameak
In reply to this message
nah, stuff around that string doesn't make sense - probably it generates identification data on the fly then
Y
12:06
YL3AKC
Maybe...
u
12:06
usernameak
maybe even auto-detecting drive geometry
Y
12:08
YL3AKC
OK. This "computer" 2101 have 8 KByte ROM, 8 KByte RAM.
u
12:09
usernameak
In reply to this message
(the identification structure is either 52 or 56 bytes)
Y
12:09
YL3AKC
Unknowm Interrupt mechanism.
Could be 3 IRQ:
FDD IRQ
HDD IRQ
GPiB IRQ
12:09
Or no IRQs at all.
12:10
2101 definitely do data transfer 3 (or more) tasks in parallel.
12:11
But... It also have another problem: another custom IC with GRiD part number.
u
12:12
usernameak
In reply to this message
i think U is not actually a part of the identification string
Y
12:12
YL3AKC
Maybe...
u
12:12
usernameak
because it's supposed to be exactly 32 chars
Y
12:13
YL3AKC
If there cli (clear interrupt) and spi (set interrupt), than 8088 does many interrupts, or at leas 1 interrupt.
12:16
2101 ROM code is 50 % of Whole Compass CCPROM.

2101 is kinda... advanced computer, but with small amount of RAM.
12:16
BTW, don't forget about Discord. It is bridged with telegram.

https://discord.gg/fY8bZh6A
u
12:16
usernameak
it has no interrupt controller :)
12:17
but i guess with such a limited set of hw it can be handled with hardwired logic
Y
12:18
YL3AKC
In reply to this message
Yes, but this can be done with hard logic. Basically when interrupt happens: CPU read data bus and jump in ta INT table entry depend on byte in data bus.
u
12:18
usernameak
btw i now wonder
12:18
doesn't Compass use 80130 for DRAM refresh besides other stuff like managing interrupts?
Y
12:19
YL3AKC
In reply to this message
No. It looks like DRAM refresh happens at the same time when "GPU" send data to display.
u
12:19
usernameak
In reply to this message
because AFAIK it can actually handle that!
12:20
In reply to this message
hm... i wonder if the timer interrupt (the one used by process scheduler and stuff) happens at the same time as well
Y
12:20
YL3AKC
Same PAL ICs involved both in video part and DRAm address multipelxing. Looks like they are some kind of counters for COLs/ROWs etc.
12:21
In reply to this message
Looks like timer IRQ generates 60 Hz interrupts. Kinda frame rate, but it's not locket/synced to video logic.
u
12:21
usernameak
hmm
Y
12:22
YL3AKC
On Compass DRAM access is transparent for CPU. CPU thinks that it access DRAM 100% of it's (clock) time.
12:23
In reality PAL ICs handle this:
DRAm access happens 2x times faster than CPU clock. So on 50% od DRAM speed there is access for CPU and 50% for "GPU".
u
12:23
usernameak
In reply to this message
what happens if there's a bus conflict with video output? :)
12:23
In reply to this message
ah i see
Y
12:23
YL3AKC
In reply to this message
It can not happen! 😊
12:24
Because "GPU" and CPU are locked/synced from the same clock.
u
12:24
usernameak
fake dual-port RAM =)
Y
12:25
YL3AKC
Why fake? Dual port RAM work in the same way. But everything is integrated on one die.
u
12:25
usernameak
In reply to this message
i've always thought actual dual-port RAM had two sets of multiplexers
Y
12:26
YL3AKC
Yes, but... There is only single array od RAM cells (bits).
12:27
Maybe each RAM cell is more complicated and have dual input/output, but... More practical is to use MUXes. MUXes with single RAM Cells have less space on die.
12:27
To my understanding on microelectronics...
12:28
But... Who knows how it is in reality...
12:29
BTW, Commpodore64 is doing the same, but... 5 times slower.
u
12:29
usernameak
btw, about multiplexers
my laptop (which is my main machine) has a very funny video output design
it is normally connected to the GPU integrated into the processor, but you can disable it in BIOS and then it is directly connected to the discrete GPU chip
12:29
i wonder how they did that
Y
12:29
YL3AKC
With !CS pin... Kinda.
12:30
!CS - Chip select pin
! stand - when logic 0 IC/chip is active.
u
12:30
usernameak
but in the first case technically both chips are active
12:31
it's just that only one runs the video outputs
Y
12:31
YL3AKC
Now. We can put some kind of register inside CPU+GPU die. BIOS code latch this register. One output goes on die to internal GPU, other output (inverted) goes to processor pin/leg for external GPU select.
12:34
In reply to this message
!CL usually put chip in low power standby mode. Check oldschool SRAM specifications.
"When CS pin is high. IC goes intro sleep mode, disables power for all circuicity, but at the same time keeps RAM cell power to save data. Consumption decreases a lot and you can use external battery to save RAm contents".

From some kind of SRAM datasheet for old Keyboard/Synthesizer
u
12:36
usernameak
In reply to this message
they are active and both are fully operational (the discrete just doesn't output video directly but rather copies it to main RAM, from where iGPU picks up the data) :)
Y
12:37
YL3AKC
In reply to this message
Ahh. OK! That is reason why I like vintage electronics. They are much more simpler than modern.
u
12:39
usernameak
oh, looked it up. apparently it's handled by a dedicated video multiplexer chip that multiplexes two inputs into one output :)
12:42
In reply to this message
yeah they indeed are
26 June 2024
A
01:10
Armin
In reply to this message
Getting a stable 1MHz, which should be correct for 5.25" drives according to the datasheet
01:13
I also tried formatting another st225 hdd. And that doesn't work either.
So the issue might be somewhere in the shared part of the controller as it's having issues with both FDD and HDD
01:14
Or does the compass require a low level format. Before running "initialize media"?
Y
05:18
YL3AKC
Hmm. Interesting question and I don't have answer or idea.
05:28
In reply to this message
According to ST225 datasheet and Usagi video, that could be true for HDD.
05:31
Why floppy wont work? Maybe because need to recalibrate pots/trim cap near controller. 40 Years for old PLL/VCO on chip.

I thing it's time to solder that calibrator schematics and see what calibrator shows without touching pots/trim cap.
u
05:35
usernameak
In reply to this message
it shouldn't because it sends the low level format command to the drive controller when running it
👍
A
05:35
(funnily enough, it proceeds to format the filesystem even if it fails)
Y
07:10
YL3AKC
In reply to this message
Looks like key matrix for 1137 is the same as in 1101. At least from KBC firmware standpoint. If there is difference, than it is only in passive wiring. Theoretically 1101 and 1137 key matrix should be the same.
07:12
But I didn't check yet key scan code. Working on it now.
A
11:33
Armin
In reply to this message
Ohh yes sorry. Could have confirmed that. I'm using the 1101 kb In the 1137.
The difference is that the 1101 is klicky with springs and buckling metal domes.
While the 1137 kb is rubber dome, like the later gridcase laptops
Y
11:35
YL3AKC
In reply to this message
This is degradation for GRiD.
A
11:37
Armin
Just until the conductive pen arrives and I can attempt repairing 1137 matrix
A
12:37
Armin
In reply to this message
I might not have to build that circuit.
This seems to be a workaround from the original calibration circuit for people that don't have a scope.
12:38
This should do the trick
Y
12:38
YL3AKC
If you have oscilloscope, than go with it!
👍
A
A
12:41
Armin
What do they mean by "strobe pin 19" at what freq?
Y
12:42
YL3AKC
Hmm... Transition HIGH to LOW ?
12:42
What said in DIY calibrator procedure?
A
12:44
Armin
In reply to this message
Same
" Strobe the master reset pin, pin-19."
Y
12:45
YL3AKC
Because this is inverted pin, !MR. It mean active LOW. So it wan to feel transition from HIGH to LOW.
12:45
Let me check datasheet.
12:47
Yes, sounds like you need it connect to GND aka LOW aka Logic 0.
A
12:52
Armin
Weird way of putting it.
12:53
Yeah probably just a single pulse.
Y
12:58
YL3AKC
Or...
Toggle LOW for a moment.
Y
21:04
YL3AKC
In reply to this message
Any results
A
22:44
Armin
Not yet, haven't really had time today. ;)
28 June 2024
A
01:35
Armin
Haven't had time to look at the 2101 yet.
But all parts are ordered to build MFM reader/emulator
And ordered some conductive paint to attempt the 1137 keyboard repair.
Y
09:40
YL3AKC
Too hard for oscilloscope?
A
10:00
Armin
Just haven't tried. Busy week at work. But ordering parts while at work is easier. ;)
Y
10:02
YL3AKC
OK. I understand you when there is busy week. Had the same this week, including last weekend. Even today need to go to work for few hours. But I'll be back to LOCATION and wait GOODS...
1 July 2024
Y
05:58
YL3AKC
So, OK!
05:58
After made primitive analysis for 1101 and 1137 keyboard controllers, i thin they function with the same logic.
05:59
Looks like differences are because of source code compiled with different versions of compiler
05:59
and/or on 1137 made some bug fixes.
06:00
extIRQ - interrupt when receive data for CPU affected
06:00
long routine to translate keys and interact witch keyboard repeat rate/keyboard delay affected
06:01
but changes are so small that it looks like patching
06:03
So, basically it is possible to reproduce original keyboard controller logic with modern microcontroller.
👏
A
06:03
In case if we need to repair dead original keyboard controller.
2 July 2024
Y
14:17
YL3AKC
This was on last week in Belgium...
14:17
14:17
This is happening now in Riga...
Y
14:18
YL3AKC
Y
YL3AKC 02.07.2024 14:17:00
Y
14:50
YL3AKC
Planned live video chat with unboxing on approx 17:00 local time/14:00 GMT
GRiD Compass started voice chat
Y
15:06
YL3AKC
In reply to this message
Test stream to make sure getting reasonable video and audio
GRiD Compass started voice chat (270 seconds)
GRiD Compass started voice chat
GRiD Compass started voice chat (85 seconds)
GRiD Compass started voice chat
GRiD Compass started voice chat (51 seconds)
GRiD Compass started voice chat
GRiD Compass started voice chat (80 seconds)
Y
15:20
YL3AKC
Looks like it kinda works.
GRiD Compass scheduled a voice chat for 02.07.2024 16:04:17
Y
15:27
YL3AKC
Everybody are welcome to use both chat and audio! 😊
GRiD Compass started voice chat
GRiD Compass started voice chat (2031 seconds)
Y
16:38
YL3AKC
Wow! What an adventure!
Y
16:46
YL3AKC
Y
YL3AKC 02.07.2024 16:45:51
Y
16:46
YL3AKC
Y
YL3AKC 02.07.2024 16:45:59
A
16:46
Armin
In reply to this message
Looking great, gotta love that boot screen. ;)
Y
16:48
YL3AKC
I think I already have ~SceenImage to .BMP somewhere in my GRiD folder
Y
20:45
YL3AKC
Test from telegram!
G
20:45
GRiD_Discord_Telegram_Bridge_bot
Test from discord!
3 July 2024
A
04:54
Armin
I spent way to long on this.
But I'm happy to report that the 1137 keyboard is now fully working. ;)
05:00
End report, 6 traces repaired after breaking 5 repairing the original break.

In case anyone is wondering best way I found. Slowly cut out every layer until the last one.
And then use a small amount of ipa on the last layer to make sure the traces don't stick to the glue. (Not too much ipa or the traces disintegrate)

Tldr: just don't break your keyboard ;)
A
15:56
Armin
MFM emulator build, now let's figure out how to use it properly.
I'll try it with another disk first
Y
15:59
YL3AKC
You don't need to work today?
15:59
Beaglebone? Do you have it?
👍
A
A
16:00
Armin
In reply to this message
Not today no, ;)
Y
16:00
YL3AKC
Lucky one!
16:01
Belgian beer is waiting me in fridge...
A
16:02
Do you know what is Riga Black Balsam?
A
16:04
Armin
In reply to this message
Nope
Y
16:05
YL3AKC
In reply to this message
OK, got it!...
A
20:29
Armin
the HDD is not playing along. these are two dumps I managed to get, but I don't think these will be good. way too many read errors,
20:31
I think the head stepper motor is to blame.
20:32
enough for today. but I think I can get some better reads if I spend some more time on it
20:36
will need to make images out of that raw MFM dump. but first the DOS / CCOS partitions need to be split I think
20:38
T How did you extract the data from your drive images?
Y
20:47
YL3AKC
Good job!
20:47
In reply to this message
These are MFM dumps?
A
20:47
Armin
In reply to this message
should be raw mfm data
👍
Y
Y
20:48
YL3AKC
In reply to this message
Need to find video about HDD repair from Adrian's digital basement. I think he have video about it.
20:48
In reply to this message
I think he used GUI tool made by @Blue_Screen_0f_Death
20:49
Tried to feel 1101 carrying today. I took it to work and show to colleagues.
20:49
Some liked it a lot, others can't understand it.
😁
A
20:50
But... last 200 meters at home was... Heavy. Still feel joint in left hand.
20:50
Need to make some food and rest a little bit.
👍
A
20:51
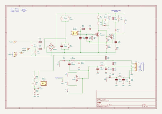
I thing 2102 PSU must be documented because it is dual voltage PSU (+5;+12), have small form factor and doesn't have any SMPSU IC in it. Pure discrete component thingy.
A
20:52
Armin
there's some info on how to extract data from the raw images here,
but that's for another day

https://groups.google.com/g/mfm-discuss/c/CdbygRRqTtE/m/buqM0BwyBQAJ
Y
20:52
YL3AKC
And really need to beep pin 31 on 5051 MCU inside 2102
20:52
In reply to this message
Usagi Electric?
20:53
And dive deep into MFM tools documentation.
20:55
Question related to EL display.

I think, yesterday displays was more like yellow.
Today it is more like orange color.

Maybe display become more orange if used regularly? Or... My eyes...
A
20:56
Armin
In reply to this message
I don't think they really shift colour, but they are hard to get right on picture, the colour is always a bit weird on photo
Y
20:57
YL3AKC
In reply to this message
Try to open it with hex editor! Looks good!
A
21:01
Armin
yes indeed !!
Y
21:02
YL3AKC
And... there are differences between dumps...
21:02
Need to dive deep into raw data.
21:04
But at least: most important is done! We have DUMP
21:07
Let's watch videos. Maybe they are useless, but, at least, we get some nerdy entertainment...

https://www.youtube.com/watch?v=-UJ0YE1a1Fs
21:21
In reply to this message
Maybe this is worth to try?
ВЗ
21:35
Владислав Задорожкин
In reply to this message
wd hard on prewiew, hah
21:36
Y
21:36
YL3AKC
In reply to this message
I had similar HDD in my 1st computer: Commodore PC20-III
21:36
And HDD died...
21:38
It was 8088 CPU, Faraday FE2010A chipset. I learn how to write ASM program for overclocking from 4.77 to 9.54 MHz. 21 MB HDD. MS DOS 3.3
Y
22:21
YL3AKC
A
23:59
Armin
Good news, I found a way to get better reads.
The trick is to apply a light pressure to the head stepper motor then it will read all sectors without errors.
23:59
Now I just have to keep the exact amount of pressure on the motor long enough for a full read.
4 July 2024
A
00:02
Armin
Also the stepper driver IC on the drive overheats after a while.
So I can only try one or two reads before I have to let it cool down.
00:04
At this point I am pretty confident we can get a good image.

Just in time. I don't think it would have survived for many more years.
00:11
getting there, only 6 bad sectors out of 41616
A
01:31
Armin
I managed to get a couple of reads without errors.
Now they still have a different checksum weirdly enough
TT
01:46
T Tron
Oh shit did you get a mfm image
01:46
The flux images will always have different checksums if you’re not decoding them
👍
A
01:46
Can you send them? I can try and process
01:47
Where did you find the mfmu?
01:47
I can boot it tonight on my 2101 it’s a holiday here
A
01:48
Armin
In reply to this message
I think I got a couple of good reads, still have to test.
01:49
drive is definitely on it's last legs, had to clamp the motor down to get a consistant read. and a big fan to prevent overheating ;)
01:50
In reply to this message
ordered pcb from Gesswein and BOM from mouser, I put it together today
TT
01:56
T Tron
I am happy to help test
01:57
I have a 2101 here that I keep an mfm emulator in
01:57
You can also try booting my master disk, which has tons of goodies
A
02:03
Armin
In reply to this message
Is that a 10mb or 20mb disk in your 2101?
A
02:55
Armin
Here you go, A complete dump without errors.
TT
02:55
I included both the raw flux as well as the "extracted" file
02:58
T , seems to work great on my compass. but any way to extract this on a modern pc?
02:59
There is a lot of stuff on there that needs to be gone trough.
03:10
Digging through, the 2101 seems to have belonged to GRiD "Systems development group"
TT
03:10
T Tron
Let me look tonight
03:10
Didn’t one of the guys here write a tool to unpack on PC BTW?
03:10
It’s on GitHub I believe
03:11
Grid disk image utility
u
03:11
usernameak
In reply to this message
tracks are offset in the extracted one
A
03:12
Armin
In reply to this message
That might be why I couldn't manage to open it.
03:12
In reply to this message
So, how do we fix that?
u
03:13
usernameak
so, MBR is at 0xE00
03:13
how many sectors per track is it?
03:14
oh, 17, okay
A
03:14
Armin
In reply to this message
Yes, I think so
u
03:19
usernameak
it is partitioned into two 10MB partitions?
A
03:21
Armin
In reply to this message
Yes, not sure if they are exactly the same size.
u
03:21
usernameak
partition 1
A
03:21
In reply to this message
they are not
03:21
partition table on those is just plain MBR with LBA addressing
03:22
fixed image
A
03:22
with (
open("2101_6ext", "rb") as f,
open("2101_6ext_fixed", "wb") as wf
):
while (data1 := f.read(512 * 7)):
data2 = f.read(512 * 10)
wf.write(data2)
wf.write(data1)

with a dumb python script
03:22
python is the new basic :)
03:22
https://github.com/Bs0Dd/GRiDISKCOM/releases/tag/v0.28-beta
tool to tinker with images is here btw
A
03:24
Armin
Perfect, thanks ;)
u
03:25
usernameak
kek, a file with a broken modification date
G
03:25
GRiD_Discord_Telegram_Bridge_bot
Is there a fucking working X modem on that bitch?
03:26
Mother of god
TT
03:26
T Tron
Oops wrong client
u
03:27
usernameak
btw T i think your images you dumped had track offset too?
TT
03:27
T Tron
Idk it’s all on the wiki broseph Stalin
03:28
I did all this shit years ago
03:28
It’s amazing how quickly you forget
03:29
In reply to this message
Python is more harmful than basic ;)
u
03:29
usernameak
hmm, apparently that one was offset by 3 rather than 7 sectors
TT
03:30
T Tron
In reply to this message
Most people don’t get it, at least the software and the brilliance of it
03:31
I have a Xerox alto here and the GRiD was really the first fully commercial system that I think nailed what the alto was doing
u
03:31
usernameak
In reply to this message
i watched it yesterday
03:31
LMAO
TT
03:31
T Tron
I hate YouTube lol
u
03:32
usernameak
In reply to this message
wait, i remember that i watched it recently but can't find it in my yt history
03:37
In reply to this message
except no mouse :)
TT
03:37
T Tron
Keyboard driven! With forms!
u
03:38
usernameak
In reply to this message
it's interesting how they put the framebuffer right after the interrupt vector table in RAM
03:39
(that's why you can't use 1139 OS on 1129 - it has all the memory addresses offset to accomodate a bigger framebuffer)
TT
03:40
T Tron
So what’s in the image? Spoil the surprise for me
03:40
I just dug out my 2101
03:40
And a very beat up 1129
u
03:42
usernameak
how many of them are here
03:42
but this is definitely a machine that was used inside GRiD
03:42
suddenly there's source code of HP LaserJet printer drivers?
TT
03:43
T Tron
What else?
03:43
Compilers? Libraries? Software? Treats?
03:43
Kermit / xmodem?
03:43
Cocaine?
u
03:43
usernameak
compilers, libraries, software, xmodem src
03:43
internal GRiD emails detailing some Compass stuff
TT
03:44
T Tron
lol nice
03:44
Ok let me fire this up
03:44
I’m sick so moving a bit slowly
A
03:44
Armin
Yess, definitely worth the effort reviving that hdd
TT
03:44
T Tron
100%
u
03:44
usernameak
no C compiler but some C sources on second partition?
03:45
In reply to this message
> xmodem src
yes, source code.
03:45
and binaries
03:46
SOURCES OF THE ROM
🔥
A
03:46
AND THE OS
TT
03:47
T Tron
Bitch are you joking
u
03:47
usernameak
look at the second partition
TT
03:47
T Tron
I’ve imaged a dozen of these fucking bitches and CM got the mother load
😁
A
03:47
Holy shit
03:47
Nice going
03:47
Like
03:48
Goddamn!
u
03:48
usernameak
second partition is a freaking goldmine
TT
03:48
T Tron
Well I’ve been having a really bad week
ВЗ
03:48
Владислав Задорожкин
In reply to this message
JS is worse(
TT
03:48
T Tron
This certainly made it better
ВЗ
03:48
Владислав Задорожкин
In reply to this message
lol
TT
03:48
T Tron
A
03:48
Alright let’s have a look at this shit
u
03:49
usernameak
sources of GRiDLink
TT
03:49
T Tron
That was what I was going to look for
u
03:50
usernameak
why there's a bunch of software in mail folder
03:50
were they emailing software?
TT
03:50
T Tron
If there is enough here to write a grid share server, I will die happy
03:50
In reply to this message
Yes of course
03:50
The grid server can do mail
u
03:51
usernameak
there are some C sources but i can't find any C compiler there
TT
03:51
T Tron
We have the c compiler tho
u
03:51
usernameak
O_O
TT
03:52
T Tron
Hot
u
03:54
usernameak
In reply to this message
it's full of various sources
04:04
fuck, i have a job interview in 8 hours (at a... very well-known Belgian game development company) and i barely slept today
TT
04:06
T Tron
Go to bed!!!
u
04:08
usernameak
In reply to this message
fun shit is that i have better luck landing interviews at big companies than at small ones
ВЗ
04:13
Владислав Задорожкин
In reply to this message
Meanwhile I who during my studies could sleep 2-4 hours at night, and then slept off during lectures
u
04:13
usernameak
In reply to this message
i mean me too
04:13
In reply to this message
(Larian Studios, if that wasn't obvious)
🔥
A
ВЗ
04:17
Владислав Задорожкин
Shit...
Y
07:45
YL3AKC
Hmm... We survived spam bot attack? 100+ messages during night?
07:45
Ahh, no, it was MFM HDD talk while I sleep!
07:46
I still can't understand what just happened... Need to check image myself and brain about contents in image...
07:47
In reply to this message
No worries! I'll ask developers to fix this bridge bug.
07:49
In reply to this message
Happy July 4! Independence day!

Hope aliens will not invade tonight!

https://en.wikipedia.org/wiki/Independence_Day_(1996_film)
😁
TT
07:54
Stand by for coffee! My grain to booted yet!
07:54
Anyway, great work guys! You deserve to be in GRiD hall of fame!
07:56
In reply to this message
Hey! Be careful and good luck! Hope you got sleep before interview!
07:59
In reply to this message
Driver heats because too much current on stepper. Probably stepper stalls and need some lubrication.
TT
08:04
T Tron
Tomorrow, I am looking at the dump
08:04
If enough there to start understanding GRiDlink protocol, I will write a daemon
08:05
Which has been my dream for years… mount a PC over GRiDlink
Y
08:08
YL3AKC
In reply to this message
Well... Fuck it! It's so cool! Looking on Network manager sources now!
Y
08:43
YL3AKC
Hmm... Looks like there are also CCPROM sources for Compass...
08:50
It's for Compass II (112x series)
Y
10:13
YL3AKC
Really boring, compared to HDD image, but, at least, AC wiring can be restored inside 2102, if someone will mess with it or want to change PSU.
Y
13:18
YL3AKC
Slow PSU schematic progress...
A
14:38
Armin
In reply to this message
Yes, The head stepper is almost gone.
The good reads I managed to get was after I already let some bearing oil seep in there.

Anyway I'm very happy I managed to get everything.
I was prepared to put the drive into recovery and microstep the heads. Or even swap parts with a good st225.
Y
14:39
YL3AKC
Why you think that stepper is gone? Not possible to oil it?
A
14:41
Armin
In reply to this message
I did oil it. But even now after a day of oil seeping in it still doesn't sound good compared to my good d
St225
14:42
Also it is out of alignment, but that might be fixable with a low level format
Y
14:42
YL3AKC
Will you try to read ST-225 again?
A
14:43
Armin
In reply to this message
No, I managed to get 3 good reads. And after comparing the extracted image. They are 100% the same
Y
14:43
YL3AKC
Oh! Cool! No need to reread!
👍
A
A
14:43
Armin
So I will probably dump the flux image onto a good st225. And put that into the 2101.
Y
14:44
YL3AKC
Or... Use MFM reader as ST-225 emulator for GRiD 2101...
A
14:46
Armin
In reply to this message
That's how I have it now to look trough the dump.
But in long term I prefer leaving it as original as possible.
Y
14:46
YL3AKC
This can be useful not only to preserve ST-225, but also to do controller + 2101 brain diagnostics.
👍
A
A
14:47
Armin
Also this now confirms that the 2101 is working and that the issue is only with reading floppies
14:48
The mfmulator reads fine in the 2101
Y
14:48
YL3AKC
Speaking of "original". Can't read few component values on PSU.

Dilemma: preserve PSU and live without these values or desolder components, read values and solder back by losing PSU authenticity...
14:49
I think, I'll go "NO SOLDER" route.
A
14:50
Armin
In reply to this message
Which components? Picture?
14:50
Btw, Interesting hardware specs I found in the dump.
Apparently there was a 2137
A tempest dual 10MB HDD enclosure.
14:51
And apparently the GRiDse-t
Had 512k of bubble?
Y
14:52
YL3AKC
In reply to this message
1 Resistor, 2 diodes, 1 small capacitor burried between other components.
A
14:52
Armin
Send me a picture. I can check 2107 psu, it's the same
Y
14:53
YL3AKC
PSU is made in Japan. Soldered so nicely and cleanely, that I don't want to touch it.
14:53
Stand by for pic (10 minutes).
A
14:59
Armin
Or board markings aka (C5, R4 etc. )
Y
15:00
YL3AKC
R10, D3, D4 on lower part between transformer and power transistor.
15:00
Also C9, C12, C13 capacitors.
15:02
And C10 capacitor.
15:02
I'll try to measure resistor with multimeter. But caps... Let's leave them as is.
A
15:03
Armin
Nevermind, mine Is a different psu.
Same manufacturer tho
15:04
Model 3040 vs 3045
Y
15:04
YL3AKC
In reply to this message
Let's leave this for later.
A
15:05
Armin
In reply to this message
But feel free to desolder if you want to. ;)
Y
15:05
YL3AKC
In reply to this message
There is small chance that I can break yellow wire. Hope it will survive. I don't want to break authenticity.
A
15:07
Armin
The 230v wire?
That should unplug normally
Y
15:08
YL3AKC
In reply to this message
Yes, 230VAC wire. Looks like it is soldered under heat shrink.
15:08
Hah! Used some force and disconnected. 😊
15:10
R10 value discovered! 2K 5% tol, 0.125W power
15:11
C10 discovered!
Y
15:48
YL3AKC
Primary part completed as much as I can. Could be errors.
15:56
This PSU definitely don't need recapping. Marcon capacitors. Everything looks clean.
A
16:21
Armin
In reply to this message
Yes, high quality components everywhere. I also checked with scope when I first got them. Very low ripple.
Y
16:31
YL3AKC
I am measuring every polarized capacitor dimensions...
16:31
3 diodes left, but it's complicated again.
Y
17:48
YL3AKC
PSU done!

Can't figure out transformer secondary winding without soldering. Leaving unfinished.

Surprise! There is -12V output. Will measure it to be 100% sure.
Y
18:28
YL3AKC
18:28
18:28
Next board after breakfast.
Y
19:58
YL3AKC
Moving forward. Warming up before opening 1101...
19:58
20:09
pin31 on 8051 is connected to GND.

This mean: external ROM have program code.
20:09
Who are ready to disassemble 8051 code from external ROM?
20:09
20:10
I'll provide schematics for device we are ready to go!
20:15
Or... Need to drink some 🍷
20:29
@ConventionalMemories do you have 2107 logic board PICs? I want to compare it with 2102
👍
A
20:38
That's a rom dump
Y
20:39
YL3AKC
You already sent ROM DUMP...
A
20:39
Armin
A
Armin 25.06.2024 13:30:56
20:39
These are the only ones I took a while ago but qi can take some more later
Y
20:39
YL3AKC
Looks like 2102 jave V2 ROM and 2107 jave V3 ROM.
A
20:40
Armin
In reply to this message
Yeah, could be. ;)
Y
20:41
YL3AKC
In reply to this message
Ahh, this one... You already sent it.
👍
A
20:41
On 2107 there is no PAL16L8...
20:42
Interesting what is MCU name under GRiD label.
20:42
I think ROM versions differ because of absence of PAL16L8
A
20:43
Armin
In reply to this message
Idk, I'll can take a look later have to disassemble tempest shielding again. ;)
Y
20:44
YL3AKC
In reply to this message
Than... Later. No hurry!
20:44
That tempest filer looks crazy!
A
20:47
Armin
In reply to this message
Yes indeed, the whole drive is also quite crazy. Much bigger then 2102. And heavier with thicker metal case.
Doesn't feel like a "portable floppy" anymore
TT
22:32
T Tron
Good morning motherfuckers
22:32
Time to GRiD!
22:35
In reply to this message
:D
22:40
22:41
Let’s go
22:51
@ConventionalMemories would like to invite you to our stupid discord
22:55
TT
23:33
T Tron
Interesting
23:33
Do you guys see both partitions?
23:33
23:33
All I see is “hard disk X”
23:35
@ConventionalMemories how did this work on yours?
23:38
I just changed the active partition in media partition and am rebooting
23:38
Covid Brain fog is a bitch
A
23:39
Armin
I can see both at the same time.
TT
23:40
T Tron
That’s the correct behavior
23:40
To be sure
A
23:40
Armin
That's why I was asking about your 2101, is that a 10 or 20MB originally?
TT
23:41
T Tron
Is there a jumper or eprom on the formatter?
23:41
With the disk geo?
23:41
10mb I believe
A
23:41
Armin
Might have to burn my controller rom
23:42
In reply to this message
Here you go
TT
23:42
T Tron
Yes that’s the issue
23:42
You’re right
23:42
Mine was a ten
23:43
This is very cool armin
23:43
I stopped looking at this stuff years ago
A
23:44
Armin
If you are swapping roms, can you dump yours?
TT
23:44
T Tron
Of course
A
23:44
Armin
Would be nice to see if we can alter for bigger drives
TT
23:44
T Tron
It would be cool if we used the wiki, if you guys are down
23:45
Oops
23:45
There we go
23:46
Dammit
23:46
IMO only the rom on the xebec sasi formatter should need to change
A
23:47
Armin
In reply to this message
You think?
TT
23:47
T Tron
Well, it depends on the implementation level of SASI
A
23:47
Armin
The grid controller board rom has 20mb on the label.
TT
23:47
T Tron
It’s pre-scsi and the hand off between “I can query device length” and not isn’t particularly clear
23:47
Ah, ok
23:48
Then no, you are right!
A
23:48
Armin
Also are you sure this is sasi?
TT
23:48
T Tron
Yes
23:48
But what SASI is is not particularly well defined, it’s all “pre spec”
A
23:48
Armin
The server uses sasi, but it has a much simpler mfm to sasi interface board
TT
23:49
T Tron
Yes the server speaks sasi natively, all the interface board there does is assign the device address with that pal
👍
A
23:49
And do the activity lights
23:50
Ugh my head hurts from covid brain fog
23:50
It’s amazing how stupid this condition makes you
23:50
I got it at camp last week
23:51
I shouldn’t even say it assigned the device address - that’s misleading. The PAL simply generates the select
23:51
I need to clone that board at some point because I only have one disk enclosure but two grid servers
A
23:52
Armin
Side question, the server hard drive 1701 has the same connector as the early 2102 units, can you hook them up?
TT
23:53
T Tron
Good question.
23:53
One thing at a time
23:53
If you make a page on the wiki of stuff for me to figure out / document, I can execute on it in order
A
23:54
Armin
Yes, of course. I've never seen inside of the early 2102 units.
TT
23:54
T Tron
BTW you are too far away for us to use VOiP to have you dial the grid server
😢
A
23:54
The jitter will kill us
23:54
We will have to tunnel serial
23:55
Null modem cable over IP
A
23:55
Armin
In reply to this message
OK I will. Still don't have an acc tho. Can you make me one?
TT
23:55
T Tron
Yeah DM me -

- “real name”
- user name
- email address
- password
23:56
I will do that now
5 July 2024
ВЗ
01:05
Владислав Задорожкин
In reply to this message
I used VOIP to call to real BBS servers in USA and it worked on speeds 14400-33000 bods (little unstable, but...)
01:05
with shitty conexant V.90 modem
TT
01:06
T Tron
well we can certainly try it but... IP at both ends can make things sad
ВЗ
01:07
Владислав Задорожкин
In reply to this message
(interesting if it will be stable with ZyXEL U-1496)
01:08
because...
01:08
68k PROCESSOR
u
03:38
usernameak
In reply to this message
we dumped it already, no?
03:38
but it had no executable code, which was probably in 8051's internal PROM
Y
04:42
YL3AKC
In reply to this message
Yes, you dumped, but not shared...
04:44
According to specs, there should be code just because pin31 on 8051 is tied to ground. That mean: MCU executes code from external EPROM. Need to figure out few things in 8051 documentation but... Should be. OK, I'll try to modify my 32 pin EEPROM programmer for 28 pin EPROMS and dump it again.
TT
04:47
T Tron
Guys
04:48
Computers were a mistake
Y
04:48
YL3AKC
In reply to this message
Good morning/evening!
TT
04:48
T Tron
I need to find a long GPIB cable so I can use compass in bed while sick
04:48
Wish we had mass storage emulator
Y
04:48
YL3AKC
In reply to this message
TsChak is a mistake!
TT
04:48
T Tron
I have COVID
04:49
It made me kinda mildly retarded
Y
04:49
YL3AKC
In reply to this message
That joke is old by now...
04:49
I had (probably) COVID on October 2023.
04:50
Almost sopped drink and smoke during COVID...
TT
04:50
T Tron
The assembler in @ConventionalMemories’s image works!
04:50
In reply to this message
Never stop drinking lol
Y
04:51
YL3AKC
In reply to this message
What other interesting stuff you found on THAT image?
TT
04:51
T Tron
Sec
04:52
To: schlipper
From: Strang
Subject: 1520 kickers
Date sent: 03/14/89 12:17 PM
Copies: snow;bailey


Lou,

As you requested, here's a couple of 1520 kicker ideas. They're a little odd, but the best I came up with. I skipped all the obvious stuff, like supporting EGA or VGA display on the screen, changing the keyboard, etc.

1) Put that little bitty Antelope hard disk drive in a 1500 battery hole expansion cartridge, with a controller. It would be a removable hard disk of sorts, even if it were in an odd place. The functional fit is best with dual floppy systems, but it could be used for fast backup or sensitive data storage on systems with a built in hard disk. The controller would have to be switchable to a secondary address space, to avoid conflict with the internal hard disk controller, and it would take some sort of special BIOS support for two hard disk controllers.

2) Add an extra internal power storage device (probably a capacitor, though maybe a fast drain battery) that could power the machine for about 30 to 60 seconds when other power went away. This would give the user a last gasp chance to save his work when regular battery power dies. It would reduce the user's level of worry about how accurate the low battery light timing is. It would serve as a short duration UPS (Uninterruptable Power Supply), when there is not a battery in the battery hole. Since most power outages are under 2 seconds, it would satisfy most UPS needs. It would allow changing batteries without having to save your work, power the computer down and back up, and restart whatever you were working on, reducing the interruption in the thinking process. Think of it as analogous to the small emergency air supply that scuba divers carry. It would have to charge up from the main power source (battery or the AC supply), though ideally it would continue to carry most of it's charge while the computer was turned off, so it would not need to be recharged every time the computer was turned on. There would need to be some visual or audable indication when the computer was operating on it's "last gasp" power.

This actually could be a good feature for future GRiD computers also. Guessing when the end of a betteries charge is can be a frustrating game. I have more than once lost data when I was working with my hard disk spun down, then my battery got low and turned out not to have enough charge left to spin my hard disk back up.

3) Develop an operating system extension or (preferably) a firmware extension that could quickly save the contents of memory and the entire processor and support hardware status to the hard disk, then could later quickly restore all that, so whatever was running before the save would again be running after the restore, continuing from where it was when saved. This would allow the user to save exactly where he was, including the programs being run and the files in use, then pick up again in exactly the same place the next time he turned the computer on. This idea could allow the user to very quickly restore into applications that take a long time to boot normally (like UNIX or FAST), which would be useful in demo situations. Combined cleverly with idea 2 above, it would allow the computer to automatically save whatever was running when power was lost, even though the user was not around when power was lost.

There are several hard things in implementing this idea. First, saving the complete hardware status of the computer involves a bunch of things besides the procesor and memory. Some of them may be difficult or impossible to save. Second, a piece of hard disk big enough to hold all the RAM on the computer and some other stuff would probably have to be permanently reserved for this use. Third, making it work with non-MSDOS operating systems, like UNIX, might be prohibitively difficult.

Will
04:53
To: All Field AT Customer Mkt
From: Humphries
Sender: Humphries AT Marketing
Subject: GOOD NEWS
Date sent: 01/31/89 3:57 PM
Attachment Title: 1St_Qtr
Kind: Text


TO: ALL FIELD

FROM: BRUCE WALTER

SUBJECT: GREAT NEWS!

DATE: FEBRUARY 1, 1989
---------------------------------------------------------------------------

When GRiD merged with Tandy, we told you and our customers that one of the benefits of the new relationship would be GRiD's ability to reduce the cost of our products. We knew we could accompish this by taking advantage of Tandy's buying power and manufacturing expertise. We anticipated additional savings from GRiD's increased volume, high volume "SPECIALS" production runs, and decreasing RAM prices.

A recent review of our current product costs indicates we have been successful, and we are pleased to pass these savings along to our customers. We have chosen to take advantage of these cost savings with four major programs.

^li +10
Revised ^boVDA^bo (Volume Discount Agreement) ^bowith deeper discounts^bo
for corporate accounts and it's easier to set-up
Aggressively priced "SPECIALS", including ^boPlasma "SPECIALS"^bo
^boNo RAM Surcharge^bo
^boONE YEAR WARRANTY^bo on GRiDCase 1500 Series and GRiDLite Plus
^li -10

We feel these programs give us new ammunition to effectively counter our competition. Details of the new VDA are in a separate memo. A press announcement covering these programs is attached.

The ^unlist prices have not changed,^un only the discount schedule. In addition, ^unthe Commission Plan has been amended^un to minimize the impact of the deeper discounts. Details of the amended Commission Plan are in a separate memo. The new "SPECIALS" are attached, new Price Lists will be sent to you separately. The new "SPECIALS" replace all prior "SPECIALS", are in effect February 1, and will remain in effect until March 31, 1989. The RAM Surcharge is eliminated effective February 1, 1989. The RAM Surcharge will be dropped from all currently backlogged units shipping after February 1.

The One Year Warranty is in effect immediately, for the GRiDLite Plus and the GRiDCase 1500 Series. This new warranty program does not apply to the Tempest product line. The effective date for this change is January 1, 1989. All customers who purchased GRiDLite Plus's or GRiDCase 1500's in after January 1, 1989 will automatically have the warranty extended to one full year. If they selected an Extended Warranty, they will receive an additional nine months coverage at no additional cost. Their warranties will be in effect for 21 months (one year plus 9 month extention). Expanded (Loaner) Service is available during the one year warranty period for a nominal investment. If you have questions regarding the impact on major account situations, please contact your Regional Director.

GRiD has completed an outstanding six month start for FY89, and we are confident these programs will help us surpass our first half results. Please call if you have any questions.
04:56
To: Buchanan AT Federal
From: Strang
Subject: Re: Compass wordstar
Date sent: 03/07/89 2:14 PM
Copies: Rosenberry@federal
Bailey


In reply to the message of 03/06/90 11:49 AM from Buchanan AT Federal:

Andrea,

My advice is, very strongly, DO NOT provide any customers with ANY MS-DOS products for the Compass, for money or for free. It will get us nothing but trouble. There are several reasons for this:

1) MS-DOS does not run well or happily on the Compass. Compass MS-DOS is slow and cranky, especially in floppy disk and bubble memory access.

2) Most MS-DOS programs will not run at all, because the Compass is very far from IBM PC compatible. Any investment a customer makes in Compass MS-DOS use is basically a dead end, because as soon as they want to use any different software, they will have to switch to a PC compatible computer. GRiD had three MS-DOS software products customized for the Compass: Lotus 1-2-3, release 1A; Wordstar, version 3.3; and a terminal emulator, which I think was called MITE.

3) GRiD has not carried any of these three Compass customized MS-DOS products on a price list in several years now. There are none in stock, and all we have here is one office copy of each. I do not want to let any of these office copies go, in case we get support calls from existing customers who are already using a product.

4) Even though we have none of these products in stock to sell, if we give one away we will be in violation of GRiD's sales agreement with the product's vendor. We are supposed to pay these vendors for each copy of their product we provide to a customer, whether it is sold or given away, either the whole package or as a copy of a floppy.

6) If we do get a customer started with MS-DOS on the Compass, we are asking for future support calls as they try to deal with the oddities of MS-DOS in the Compass environment. While Ric, John, and I have lots of Compass experience, almost none of our experience is with MS-DOS. There really is no one left at GRiD who is spun up on Compass MS-DOS.

5) Any Compass work has no future revenue potential for GRiD.

The only exception to this advice is if there are significant future sales depending on this one customer being kept happy with their Compass, but I very much doubt that is the case. So, my advice is to tell the customer, as nicely as possible, NO, NO, NO!

Will
--------------------------------------------
Does anyone have a copy of the WordStar for the Compass? Yes, I have a customer who needs it....

Thanks!

<<ab>>
u
04:56
usernameak
In reply to this message
> 3) Develop an operating system extension or (preferably) a firmware extension that could quickly save the contents of memory and the entire processor and support hardware status to the hard disk

they invented hibernation before it was a thing
Y
04:57
YL3AKC
In reply to this message
Ahh! This one is good! I already saw it!
TT
04:57
T Tron
it's pretty funny, right?
04:57
I love shit like this
04:57
corporate artifacts
04:57
you should see the ones I have for the symbolics lol
04:58
anyway I need to be honest with you guys, my PASCAL needs work
Y
04:58
YL3AKC
Intel! Are you serious? My MCP23017 max current per pin is 20 mA. I can't power your EPROM!
u
04:59
usernameak
In reply to this message
powerful!
Y
04:59
YL3AKC
In reply to this message
Power hungry!
u
05:00
usernameak
old TTL stuff was a power hog
Y
05:00
YL3AKC
Maybe tomorrow I'll dump it.
05:01
T How looks source code for networking stuff?
05:03
And... Are aliens already invaded on Earth? It's 4th July...
TT
05:05
T Tron
i mean
05:05
it's here
05:05
it will definitely take some print-outs and coffee
05:05
GRiDLINK>VFS*
05:06
& Authors: Monty Boyer
& Rajendra Shah
05:06
wonder what these guys are up to
05:10
/* FRAME FORMAT
----------------------------------------------
| DLE | STX | data | DLE | ETX | CRC |
----------------------------------------------
*/

DCL DLE LIT'10h',
STX LIT'02h',
ETX LIT'03h';

DCL TxCRC WORD;
DCL RxCRC WORD;
DCL SendFinishTime DWORD;
DCL frameLock WORD;
Y
05:11
YL3AKC
Request for change in handling of vacation time
William Strang
I went on vacation from July 3 to July 18, 1987, for a trip to Europe. This involved 11 days, or 88 hours of vacation time. As of 6/30/87, I had 54.82 hours of vacation accrued, and I was accruing vacation at 3.33 hours per pay period, giving a total accrued of 58.15 hours as of 7/15/87. Thus, this trip used 29.85 hours more vacation than I had accrued through 7/15/87.
Prior to taking this vacation, I had discussed with my then manager, Chris Bradshaw, what would happen when I took more vacation than I had accrued. She told me that when this had happened in the past, the individuals vacation balance had gone negative, until vacation was accrued bring it back up to zero. That policy was the one I expected and desired to be applied to this vacation. Instead, most of it was handled as leave without pay.
The 72 hours of vacation in the 7/01-7/15 pay period was recorded as 58.76 hours of vacation and 13.24 hours of leave without pay. The 16 hours of vacation in the 7/01-7/15 pay period was recorded as 16 hours of leave without pay. The total leave without pay recorded was 29.24 hours.
I hereby request that this 29.24 hours of leave without pay be changed to vacation. Prior to my vacation, I filled out a vacation request, which was approved by my management. GRiD's personnel office made no response to this request to indicate that it would ba handled as other than vacation. If I had wanted leave without pay, I would have requested it.
I have not used any accrued vacation since July 18, so I have accrued enough vacation since then to cover the 29.24 hours. By my count, as of 12/1/87 I would have .12 hours of vacation accrued. The 29.24 hours should increase my gross pay by about $632.57.
TT
05:11
T Tron
lol yeah I saw that one
05:11
they did our boy dirty
05:11
also let's see
05:11
29.24
Y
05:12
YL3AKC
I think this William's Strang HDD
TT
05:12
T Tron
it is
05:12
our boy was making about ~$90K a year in today $
05:12
not a bad gig
05:13
PdlFrameIO is important...
05:16
LOL I found the code that draws the little blinking semaphores for virtual / bubble I/O
05:16
they call it a "twitch"
05:16
/*&&&&&&&&&&&&&&&&&&&&&&&&&&&&&&&&&&&&&&&&&&&&&&&&&&&&&&&&&&&&&&
& TURNTWITCHON
&&&&&&&&&&&&&&&&&&&&&&&&&&&&&&&&&&&&&&&&&&&&&&&&&&&&&&&&&&&&&&*/

TurnTwitchOn: PROCEDURE DWORD CLEAN;
DCL TwitchStateDword DWORD;
DCL TwitchState STRUCTURE (
topLeftX WORD,
topLeftY WORD) AT (@TwitchStateDword);
DCL TwitchRect Rectangle;

$IF MsDos AND PC
IF (PcDisplayMode < 4) OR (PcDisplayMode > 6) THEN
DO;
CALL PcPrepareCursorForTwitch;
IF oddTwitch THEN CALL PcTurnOnTopTwitch;
ELSE CALL PcTurnOnBottomTwitch;
RETURN (twitchStateDword);
END;
$ENDIF
CALL WinGetWindowExtent (@WindowExtent);

twitchState.topLeftY = WindowExtent.Y-6;
IF oddTwitch THEN twitchState.topLeftX = 3;
ELSE twitchState.topLeftX = 0;

twitchRect.topLeftX = twitchState.topLeftX;
twitchRect.topLeftY = twitchState.topLeftY;
twitchRect.extentX,
twitchRect.extentY = 3;
CALL WinInvertRectangle (@twitchRect);

twitchRect.topLeftX = 3 - twitchRect.topLeftX;
twitchRect.topLeftY = 3 + twitchRect.topLeftY;
CALL WinInvertRectangle (@twitchRect);
RETURN (twitchStateDword);
END TurnTwitchOn;


$EJECT
/*&&&&&&&&&&&&&&&&&&&&&&&&&&&&&&&&&&&&&&&&&&&&&&&&&&&&&&&&&&&&&&
& TURNTWITCHOFF
&&&&&&&&&&&&&&&&&&&&&&&&&&&&&&&&&&&&&&&&&&&&&&&&&&&&&&&&&&&&&&*/

TurnTwitchOff: PROCEDURE (twitchStateDword) CLEAN;
DCL TwitchStateDword DWORD;
DCL TwitchState STRUCTURE (
topLeftX WORD,
topLeftY WORD) AT (@TwitchStateDword);
DCL TwitchRect Rectangle;

$IF MsDos AND PC
IF (PcDisplayMode < 4) OR (PcDisplayMode > 6) THEN
DO;
CALL PcRestoreCursorFromTwitch;
END;
ELSE
$ENDIF
DO;
twitchRect.topLeftX = twitchState.topLeftX;
twitchRect.topLeftY = twitchState.topLeftY;
twitchRect.extentX,
twitchRect.extentY = 3;
CALL WinInvertRectangle (@twitchRect);

twitchRect.topLeftX = 3 - twitchRect.topLeftX;
twitchRect.topLeftY = 3 + twitchRect.topLeftY;
CALL WinInvertRectangle (@twitchRect);
END;

oddTwitch = NOT oddTwitch;
END TurnTwitchOff;
Y
05:25
YL3AKC
Can't five into this code now. It's too ealy for thinking.
05:26
Another interesting e-mail regarding 19 pin serial
05:26
To: Jefferson@Marketing@GRiD

From: Strang

Subject: Re: 422 connector

Date sent: 08/26/89 5:31 PM

Copies: Bailey





it'sIn reply to the message of 08/25/89 4:01 PM from Jefferson@Marketing@GRiD:



Judy



The main reasons for using that 19 pin connector are consistency with past GRiD computers, physical size, and to discriminate that special serial port from normal IBM style COM serial ports. The part number for the connector is 2DE19, with a 2DE19P (P for Plug, a male connector) on the computer and a 2DE19S (S for Socket, a female connector) on the cable.



Consistency: A serial port which is synchronous and isochronous capable and has balanced "RS-422" data and clock lines is a GRiD trademark of sorts. It was originally developed to support the GRiDLink Local Area Network. Every "GRiDLink" style serial port that GRiD has ever put on a computer (except GRiDServers) has used that 19 pin connector. While we are using the 85C30 USART instead of the 8274, this will still be a "GRiDLink" port in that it will be synchronous and isochronous cabable and will have balanced "RS-422" data and clock signals. There are a significant number of existing cables and customer applications out there that already have that 19 pin connector on them. I asked the Federal sales reps about changing away from the 2DE19 connector, and they said we had better have a pretty good reason before doing so. They would like to upgrade a bunch of Tempest applications from Tempest Compasses or 1307s to 1537s, and having a matching 2DE19 connector helps.



Physical size: The 2DE19 connector is the same size as a DB9, yet has over twice as many pins. If one is cramped for connector space, that is useful. The GRiD Compass certainly was not cramped for connector space, so I'm note sure why they chose such a small connector for their serial port. Incidentally, while the 2DE19 connector is difficult to assemble due to it's small size, its harder than DB connectors to hurt once it's assembled, because of the plastic shield that protects the pins. It surns out to be much easier to assemble the female (2DE19S) connector if you thread the wire through the plastic shield, them crimp on the pins, then pull them back into place.



Discrimination: "GRiDLink" style serial ports are significantly different from IBM style COM serial ports, and they are of course NOT software compatible. The 2DE19 connector is one way of symbilizing this difference and avoiding our customers thinking that the port will be "plug and play" for MS-DOS communication software. Even with the 2DE19, we still have occasional problems with customers thinking that it is a COM2 port on the 1307.



From the flexibility and simplicity point of view, it would be real nice if we could use a connector with more pins on the 85C30 port. If we had 40 pins, we could bring all the data, clock, and signal lines for both channels out as balanced "RS-422" signals and dispense with some of the fancy switching circuitry I designed for the port. Anything between 19 and 40 pins would be some improvement, but it would require careful analysis and negotiation with development to decide how best to use the additional pins. We definitely should NOT use a DB25 connector for this port. There are too many DB25s on computers already, and look at the trouble it's caused for GRiD in the external floppy port.



Will

--------------------------------------------

Will,

Is the 19 pin connector for the 422 required? As I understand (and I'm not sure I really do understand) this is a non standard connector and will require special cables. Can you please educate me on this matter?

thanks - as always



Judy
05:29
What if... We can build Serial adapter for Compass with DE15 (VGA connector) Do we need all signals for experiments?
05:31
It is IDC + flat cable + DE15 adapter. Swap original with DIY and we are go!
TT
05:44
T Tron
I can just imagine the manager's response to this mail
05:44
complete eye-roll
05:44
overly verbose engineering respnse
05:44
we love it but judy was probably thinking "fuckin nerd"
Y
09:51
YL3AKC
@usernameak Guess what is this!
09:51
To: John Ellenby
From: Bob Wulff
Subject: Release of Midway "-17" boot eproms
Date: November 19, 1984
cc: Carol Hankins, Dave Paulsen, Monty Boyer, Phil Ydens, Tom Hall
Jack Aiello, Ken Dulaney, Paul Hammel, Larry Gravelle, Gary Brownen,
Betsy Rice, Bob McFeeters, Kevin O'Neill, Dave Wurster
The boot proms for Midway are now ready for manufacturing to release. If you don't care about boot proms (or don't even know what they are) you may ignore the rest of this memo.
The part numbers and checksums for the Midway boot proms are:
EVEN 300442-17 7BB6
ODD 300441-17 848E
The proms actually have the exact same code as the boot proms for Compass II. The only difference is the prom data segment has been moved because of the larger screen. For Midway the prom data segment goes from 440h:0 to 47Fh:0, whereas on Compass II the prom data segment goes from 298h:0 to 2D7h:0. To reduce the risk for this project, we did not make any other changes to the proms. The code listings that manufacturing currently uses can be used with the new prom map.
If anyone you know depends on certain part numbers or version numbers to make their software work, please have them test it on Midway.
09:51
The Midway project...
u
09:56
usernameak
In reply to this message
and now DE19 are unobtanium
Y
09:57
YL3AKC
In reply to this message
Looks like it was unobtanium on THAT times
u
09:57
usernameak
In reply to this message
well yeah...
Y
09:57
YL3AKC
In reply to this message
What is Midway project? 😉
u
09:57
usernameak
dunno
09:58
In reply to this message
i mean i see why they didn't use DB25 (it was on every freaking corner, so another incompatible interface on the same connector would suck) but still
Y
09:58
YL3AKC
113x series of Compass II with BIG screen!
u
09:58
usernameak
In reply to this message
i wonder why they didn't use some kinda Centronics-style connector
Y
09:59
YL3AKC
In reply to this message
They are big!
u
09:59
usernameak
In reply to this message
but they had GPIB already!
Y
09:59
YL3AKC
GPiB is smaller than DE25
u
09:59
usernameak
In reply to this message
yet it's a Centronics-style connector
Y
09:59
YL3AKC
Centronics 24 = GPiB connector, btw!
u
10:00
usernameak
In reply to this message
(well, except it's harder to distinguish them by pin count)
Y
10:03
YL3AKC
It's like to compare DE15 (gameport) and DE15HD (VGA) connectors.
u
10:04
usernameak
In reply to this message
gameport is DA15
Y
10:04
YL3AKC
And DE was invented... Log long time ago. Definitely before 1960-ies
10:05
In reply to this message
Ahh, OK! Yes
u
10:05
usernameak
the letter is the size :)
Y
10:09
YL3AKC
In local sleng we are calling all of them as DB connector, DB9, DB15,DB25 😃
u
10:09
usernameak
well yeah
10:09
fun fact - it's DE9 actually
10:09
A
18:51
Armin
In reply to this message
do we have a copy of MITE already?
I only have Lotus123, Wordstar3.30 and Kermit
19:02
In reply to this message
There were some earlier laptops that had sleep / suspend modes like the Toshiba T1200
A
19:34
Armin
" Note that CCOS for Compass 113x computers is improperly labeled as 3.1.5, but is really version 3.1.0."
19:37
"GRiD-OS on the Compass is always distributed with a non-windowing executive"

I thought the the 512k models came with multiwindow??
Y
19:39
YL3AKC
Isn't it depend on CCOS version and Model? 113x with windowing... Maybe...
A
19:39
Armin
@leskovezzz
"The SAIT GRiDSE-T computer is equivalent to tempest Compasses in software environment, except that it has 512K of bubble memory instead of 384K, and it has hardware to support the B channel of the 8274, as well as the usual A channel support."

I didn't know they had 512k of bubble, that's cool
19:41
In reply to this message
well it says compass is always distributed without
19:41
maybe they mean the ROM version?
Y
19:56
YL3AKC
All I remember, @Megabozyakorovka had video about this. He swapped something (Executable?) and got multiscreen on his 1129 or on 1101. I don't remember details.
Klyball joined group by request
Y
20:07
YL3AKC
In reply to this message
Wow! Who came here! One of the coolest GRiD guys!

Welcome, welcome!
A
20:25
Armin
I was talking with Klyball over on vcfed. Decided to invite him here. ;)
20:25
Welcome Klyball ;)
K
20:25
Klyball
Hello
🔥
YL
20:26
i will have to read back all the messages to catch up lol
A
20:28
Armin
Yeah sorry, not that easy to go trough, with loads of off topic stuff mixed in. ;)
Y
20:36
YL3AKC
In reply to this message
Nah, too much spam here, but... There is also some useful info.
A
20:37
Armin
here's a copy of the last project status;

GRiD compass related projects:
* RPi based FDD/HDD emulator (Kirill, YL3AKC, usernameak)
* 1101 schematics (Armin, YL3AKC)
* CCPROM reverse engineering (usernameak, YL3AKC)
* Compass network research (T Tron)
* Repair Kirill's compass 1129 (Kirill, YL3AKC)
* Upgrade ram to 512 kB for compass 1101 MB ver4 (Armin, YL3AKC)

Anything else?
20:38
2102 reverse engineering YL3AKC
20:39
and now that my HDD is dumped,
I need to repair my 2101 FDD controller and 2107 drive
G
21:41
GRiD_Discord_Telegram_Bridge_bot
Oh cool, hi there grant!
21:42
In reply to this message
The windowing thing is written down, it’s the executive
21:42
One sec
21:43
It’s in a text file in one of the floppy packs
21:43
I should put it on the wiki
👍
A
21:45
I need to find or fabricate another grid server disk enclosure
A
21:56
Armin
In reply to this message
Isn't most of the case the same as the 2101?
6 July 2024
u
07:10
usernameak
In reply to this message
you actually can copy over the executive from 113x to older models and you will get windowing
07:12
(you may notice that its executable is bigger, and quite so ~ the old one just invoked the built-in file selector and ran whatever you picked there)
Y
12:13
YL3AKC
Working...
👍
A
A
12:26
Armin
In reply to this message
I know, I'm just confused by their wording. They say the windowing executive is only distributed on the gridcase 12xx as an option.
And the compass never was distributed with it.
Y
15:07
YL3AKC
More progress...
15:16
@usernameak I am sure that ROM contains 8051 firmware. Will dump ROM when finish all 3 controller boards.
Y
15:53
YL3AKC
What if...
15:54
... I have 3 LCDs similar to GRiD EL display?
15:56
They are 960 (320 RGB) x240 and little smaller that EL. From video monitor with composite video input. Can be hacked.
Y
17:03
YL3AKC
2102 CPU board done!
Need GRiB and FDC boards.
👍
A
Y
17:51
YL3AKC
Next board!
u
19:17
usernameak
In reply to this message
> GRiB
MUSHrooM
Y
19:17
YL3AKC
In reply to this message
Haha!
A
19:36
Armin
In reply to this message
An LCD in a Compass, what a shame.
💯
TT
Y
19:36
YL3AKC
In reply to this message
In case no other ways for replica...
19:37
I think even control signals are compatible. Not sure about pixel clock. I researched this LCD few years ago.
A
19:38
Armin
In reply to this message
You can still find EL panels.
Y
19:38
YL3AKC
Little more of progress. Hope will finish GPiB board today.
A
19:40
Armin
A modern replacement should atleast be a self emitting technology like EL was.
No backlight rubbish.
I could live with Oled if it needs to be modern. ;)
u
20:00
usernameak
monochrome OLEDs suck to be fair
20:00
they flicker worse than CRTs
A
20:02
Armin
In reply to this message
We cam match the EL yellow with a colour oled
A
22:59
Armin
Speaking of EL displays. Here's a weird one.
I think the horizontal sync is out.
But this is something you normally only see on crt monitors
7 July 2024
Y
08:46
YL3AKC
In reply to this message
What is that? What computer? Why this is happening?
A
10:39
Armin
In reply to this message
Data General One model 2T
With the EL display option.
10:39
No idea why it's happening. I assume the vsync is off somewhere on the panel itself.
Y
12:17
YL3AKC
In theory, if there is no vsync it will not work at all... Need to think...
A
12:22
Armin
I think there is one but it's just out of spec. ive seen this on crt displays but its weird to see on a flat panel. The issue is definitely on the panel itself.
Y
16:32
YL3AKC
Almost completed. This one was hard and interesting...
🔥
YL
u
16:34
usernameak
In reply to this message
who is U8A
Y
16:35
YL3AKC
SN75161
u
16:41
usernameak
so this is purely a board with a bunch of transceivers?
Y
16:43
YL3AKC
In reply to this message
With data output latch for sending to GPiB
With read buffers: to read switch state and to read data from GPiB.
16:43
Then GPiB tranceivers.
16:44
All controlled by PAL16L8 (300230-00) and CPU on CPU board.
16:44
Looks like I am done, but need to fix cosmetic things.
👍
A
🔥
YL
Y
18:31
YL3AKC
Controller board left and I'll find out where to get 5V, why one relay coil shows megaohms, why 40 pin cable works with 36 pin gotek, how to add 2nd fdd, what secret keep PAL16L8 (300230-00) and many more answers.
8 July 2024
Y
16:30
YL3AKC
Work in progress...
🔥
YL
Y
19:28
YL3AKC
Guys, who have original GRiD Telephone headset (5101) ? Can you disassemble and draw schematics? Drawing on napkin is OK. I'll digitize schematics in KiCad.

@ConventionalMemories Klyball T @leskovezzz
TT
20:27
T Tron
My good dude there is fucking nothing in it
20:27
It is a telephone handset— it has a speaker and a condenser mic. Nothing more.
20:27
It even uses a standard handset connector
Y
20:28
YL3AKC
And what is pinout?
20:28
Speaker impedance? Power?
20:29
Any 100pF cap near capsule?
20:29
Capsule diameter? Speaker diameter?
TT
20:29
T Tron
That’s not a schematic anymore
Y
20:29
YL3AKC
3 wire or 4 wire cable?
TT
20:29
T Tron
4
Y
20:29
YL3AKC
Pinout?
TT
20:30
T Tron
A standard telephone handset typically adheres to the following specifications:

### Pinout:
The most common pinout for a standard telephone handset with an RJ9 connector (4P4C) is:

- Pin 1: Microphone (-)
- Pin 2: Microphone (+)
- Pin 3: Speaker (+)
- Pin 4: Speaker (-)

### Speaker and Microphone Impedance:
- Speaker Impedance: Typically around 150-300 ohms.
- Microphone Impedance: Typically around 200-300 ohms.

### Jack:
- Connector Type: RJ9 (4P4C), which is a 4-position, 4-conductor connector, also known as an RJ22 or handset connector.
Y
20:30
YL3AKC
Connector size? 4P4C or 6P6C ? On both ends?
TT
20:30
T Tron
Again, it is nothing special
Y
20:30
YL3AKC
Compatible with regular headset for consumer phone?
TT
20:30
T Tron
Yes
Y
20:31
YL3AKC
I never seen it, that's why I am asking...
TT
20:31
T Tron
Anyway I don’t know where one is, or I’d open it - but it is a very boring peripheral
Y
20:31
YL3AKC
It's GRiD!
TT
20:31
T Tron
And you should be able to deduce what’s going on without examining one (trace out the jack in back) - but as I recall it is a normal handset
Y
20:32
YL3AKC
Soon I'll start podem research so...
20:33
BTW, regarding standards... Some time ago (25-30 years) we had 60V DC (120VAC when ringing) phone standard instead of modern 48V DC standard...
20:39
In reply to this message
That's why I sometimes don't like name "standards" because they can be different in different places.
10 July 2024
Y
21:35
YL3AKC
Floppy Board
🔥
A
21:35
I think I am done as much as I can.
21:36
Need to dump PAL16L8 (300230-00)
and EPROM (300237-02) contents.
12 July 2024
Y
16:45
YL3AKC
@Blue_Screen_0f_Death GRIDIDSKCOM app crashing... Can not add files to image.
ВЗ
16:51
Владислав Задорожкин
looks like something in @Megabozyakorovka library
16:52
I can add files to new empty image
16:53
so... maybe something strange with BIOSDUMP.IMG
Y
16:53
YL3AKC
In reply to this message
Yes, I also testing this now, but... Can not copy to existing image... Also crash...
ВЗ
16:55
Владислав Задорожкин
CCOS315.IMG, adding and copying from another image works
Y
16:56
YL3AKC
Nah! I'll feed new image with games only and test...
ВЗ
16:56
Владислав Задорожкин
so, really something wrong with image
Y
16:57
YL3AKC
BTW, it sounds interesting when GRiD Compass interact with FDD. I can heal relays clicking.
16:58
Dam it! The speaker in GRiDman beeps!
16:58
It's so cool!
ВЗ
17:04
Владислав Задорожкин
In reply to this message
hhhmmm, i can create new folder and add files without problems...
17:05
but when i try to add to "Programs"
17:05
double free or corruption (!prev)
]
u
17:05
usernameak
In reply to this message
what are those J-K flip-flops not connected to anything?
Y
17:06
YL3AKC
In reply to this message
Interesting...
u
17:06
usernameak
In reply to this message
that generally means something corrupts the memory
Y
17:08
YL3AKC
In reply to this message
They are not connected for real. I beeped and not found any connection.

2nd JK flip-flop is used to divide 2 MHz / 2 = 1 MHz for WD floppy controller. There is also jumper to feed 2 MHz into WD fdc if necessary. Can be done by cutting PCB trace and soldering.
17:17
Well... Because I can boot into real GRiD, I can...

HACK IT!
17:17
What if I'll write asm bootloader and test direct screen writing speed?
17:18
Or... Continue to work on research (need to find motivation to dump EPROM and PAL).
17:23
In reply to this message
@usernameak want to participate into this shit crazy idea?
u
17:23
usernameak
In reply to this message
working on other shit crazy idea right now
Y
17:24
YL3AKC
In reply to this message
Reversing old rare gaming library?
ВЗ
17:27
Владислав Задорожкин
In reply to this message
Looks like everyone here is working with their own crazy ideas.
u
17:27
usernameak
In reply to this message
nope!
17:27
pretty much the opposite
17:27
writing UI middleware for games
Y
17:28
YL3AKC
In reply to this message
Got job in serious gamedev company?
u
17:28
usernameak
In reply to this message
nope!
17:28
my own proj
17:29
In reply to this message
btw interview at Larian went good but we decided to continue in the winter for... reasons
🔥
A
Y
17:30
YL3AKC
Congrats!
13 July 2024
Y
22:31
YL3AKC
Here we go!
22:32
I am reading something...
22:40
I hate python!
22:48
This is why I hate python!
23:01
This looks better.
23:01
Will convert into binary later.
23:07
Looks like we have a familiar string data
A40:00 02 F8 01 D0 02 01 20 01 21 01 01 00 00 34 38
A50:20 54 50 49 20 44 53 20 44 44 20 46 4C 4F 50 50
A60:59 20 20 20 20 33 30 30 32 33 37 2D 30 30 00 02
23:08
This is from @Megabozyakorovka GPiB data traffic dump with logic analyzer
+5109.755704082: grid210x_device byte send 34 eoi 0
+5109.755756083: grid210x_device byte send 38 eoi 0
+5109.755948089: grid210x_device byte send 20 eoi 0
+5109.756022091: grid210x_device byte send 54 eoi 0
+5109.756087093: grid210x_device byte send 50 eoi 0
+5109.756139094: grid210x_device byte send 49 eoi 0
+5109.756193096: grid210x_device byte send 20 eoi 0
+5109.756246097: grid210x_device byte send 44 eoi 0
+5109.756297099: grid210x_device byte send 53 eoi 0
+5109.756349100: grid210x_device byte send 20 eoi 0
+5109.756401102: grid210x_device byte send 44 eoi 0
+5109.756453103: grid210x_device byte send 44 eoi 0
+5109.756505105: grid210x_device byte send 20 eoi 0
+5109.756556106: grid210x_device byte send 46 eoi 0
+5109.756609108: grid210x_device byte send 4c eoi 0
+5109.756661109: grid210x_device byte send 4f eoi 0
+5109.756715111: grid210x_device byte send 50 eoi 0
+5109.756767112: grid210x_device byte send 50 eoi 0
+5109.756820113: grid210x_device byte send 59 eoi 0
+5109.757017119: grid210x_device byte send 20 eoi 0
+5109.757093121: grid210x_device byte send 20 eoi 0
+5109.757148123: grid210x_device byte send 20 eoi 0
+5109.757202124: grid210x_device byte send 20 eoi 0
+5109.757254126: grid210x_device byte send 33 eoi 0
+5109.757307127: grid210x_device byte send 30 eoi 0
+5109.757360129: grid210x_device byte send 30 eoi 0
+5109.757412130: grid210x_device byte send 32 eoi 0
+5109.757465132: grid210x_device byte send 33 eoi 0
+5109.757517133: grid210x_device byte send 37 eoi 0
+5109.757571135: grid210x_device byte send 2d eoi 0
+5109.757623136: grid210x_device byte send 30 eoi 0
+5109.757675138: grid210x_device byte send 30 eoi 0
Y
23:31
YL3AKC
Binary dump for 2102 portable floppy drive
Y
23:45
YL3AKC
A
Armin 13.07.2024 23:29:13
How similar is the dump to my 2107 rom?
Y
23:45
YL3AKC
Y
YL3AKC 13.07.2024 23:45:02
Only 3 bytes difference...
Y
23:45
YL3AKC
Y
YL3AKC 13.07.2024 23:45:23
Y
23:51
YL3AKC
@usernameak show me your kung-fu with IDA 7.6 !
23:51
It's 8051 MCU
u
23:51
usernameak
In reply to this message
what kinda kung-fu
23:52
which one
Y
23:52
YL3AKC
binary to readable C code... 😃
u
23:52
usernameak
In reply to this message
doesn't work with 8051
23:52
=)
Y
23:53
YL3AKC
Ok, to asm...
23:55
In reply to this message
C501 ?
u
Y
23:58
YL3AKC
Hmm... Maybe I need to write my own binary to C translator similar to 8741A MCU...
u
23:59
usernameak
In reply to this message
14 July 2024
Y
00:00
YL3AKC
In reply to this message
...and 0x00 - NOP if I remember correctly
00:00
It call some routine one more time?
Y
18:34
YL3AKC
Schematics as PDF for 2102 Floppy
🔥
A
16 July 2024
TT
00:15
T Tron
has anyone seen a "fast serial" driver for the GRiD?
00:15
speeds over 9600?
Y
12:06
YL3AKC
Maybe it is possible to patch driver's binary?
21 July 2024
Y
11:47
YL3AKC
1st try to dump PAL16L8
11:48
Looks like it is too complex for "logic friday" to analyze...
Y
14:14
YL3AKC
Possible logic equivalent diagram.
22 July 2024
Y
10:44
YL3AKC
While I am at work, I have time to analyze FCD PAL IC contents.
10:45
Here is 8051 MCU address space:
0000  0FFF  ROM
1000 1FFF RAM
2000 2FFF FDC
3000 3FFF DIP Switch
4000 4FFF GPiB
10:47
PAL logic is simple:
It decodes address lines A12,A13,A14 and selects correct !CS pin for ROM,RAM,FDC chip, register latches.
10:50
ALE works ar global enable/disable for these chips (ALE - high prevent any chip from addressing). This is because of addresses A0-A7 and Data lines D0-D7 are multiplexed. Hello to early Intel!
10:51
Still working on !RD (read data) and !WR (Write data) pin logic.
10:55
Need to look on chip names from @ConventionalMemories photos for 2107. Looks like GRiD are using few discreet 74HC ICs on 2107 dual floppy to replace custom 300230-00 (PAL16L8).
Y
13:44
YL3AKC
PAL dump as binary. Kinda EEPROM dump, if we assign all inputs as address A0-A9 and outputs ad D0-D7
13:47
13:48
Quick and dirty C code to generate the same "dump".
Y
20:05
YL3AKC
Here we have kinda internals for 300230-00
20:05
And Logisim Evolution circuit
27 July 2024
Y
10:32
YL3AKC
Slowly and lazy drawing Compass 1101 schematics...
👍
YL
31 July 2024
Y
09:37
YL3AKC
Huh! Lot of work and need to sleep alot.

But there is a quiestion:
If it is possible to play music (WAV, 8 bit, sample rate 8kHz-16kHz), what must be 1st song to play on GRiD Compass?

Your ideas while I am sleeping.
u
10:06
usernameak
In reply to this message
i nearly suggested Bad Apple
10:06
10:10
where wouldya output audio though?
Y
10:10
YL3AKC
Something more iconic?
10:10
In reply to this message
On the speaker!
u
10:10
usernameak
In reply to this message
it's iconic enough :)
10:10
but i tried to convert it to 16khz 8 bit
it's still 3.5 megs
Y
10:10
YL3AKC
I think Bad Apple is more on video topic...
u
10:11
usernameak
In reply to this message
well, why not both? :)
though i don't think there are enough hardware resources for that
Y
10:11
YL3AKC
10:11
In reply to this message
Pink Floyd - Money
u
10:12
usernameak
In reply to this message
vocals would be killed away though :)